Вы можете войти на сайт, если вы зарегистрированы на одном из этих сервисов
Простой поиск
Введите полностью или частично: Каталожный №, Артикул
или Наименование товара.
Расширенный поиск
Введите раздельно Каталожный № или
Артикул и Наименование товара в разных полях.
Это позволит получить более точный результат, сузив итоговый список
Поздравляем! Вы успешно зарегистрировались на сайте
www.opex.ru и стали членом команды «ОРЕХ»
Теперь Вам доступны все преимущества и специальные
возможности
На указанный Вами e-mail
отправлен запрос на подтверждение регистрации и доступы для входа на сайт.
Балашиха магазин запчастей
БАЛАШИХА СТО
+7 (495) 025-42-22
+7 (915) 091-80-94
ЧЁРНАЯ ГРЯЗЬ СТО
+7 (495) 025-42-22
+7 (916) 701-14-35
Одинцово
+7 (499) 678-21-54
+7 (906) 761-67-17
Чёрная Грязь
+7 (499) 678-21-59
+7 (499) 678-33-61
Дмитровский
+7 (495) 744-70-47
+7 (495) 484-41-27
Уважаемые клиенты, цены на сайте действуют исключительно при заказе в интернет-магазине!
Уважаемыемы клиенты и партнеры! Поздравляем вас с Днём Народного Единства! Сообщаем, что в связи с праздником АО «ОРЕХ» с 2 по 4 ноября не работает!
САМОВЫВОЗ. При самовывозе заказа просим за 30 минут до приезда предупредить вашего персонального менеджера. Юр. лицам для получения заказа необходимо обращаться к менеджерам торгового зала.
Обращаем Ваше внимание, что обновление цен на товары в наличии происходит каждый день.
Срок действия счёта на оплату – три дня. Время нахождения товара под счёт в резерве – три дня. Цены на товары категории «под заказ» уточняйте у менеджеров.
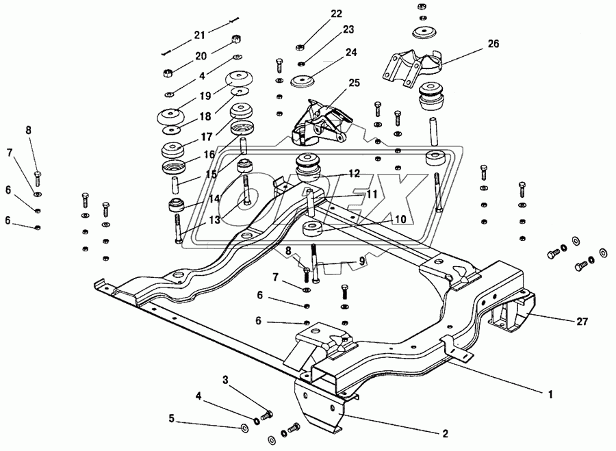
Автокаталог — Подвеска двигателя ПАЗ-32053 - 32053, 32054 (46)
№
Номер детали
Наименование детали
Каталог
Подрамник крепления двигателя (3205-1001090)
Дополнительная информация
Кол-во на 32053 32054
1
1
Модель
3205
Группа
Двигатель
Подгруппа
Подвеска двигателя (силового агрегата)
Порядковый номер детали
090
ОКПО класс
45 Изделия автомобильной промышленности
Вид изделия
50-54 - шпильки
Вид покрытия
0 - без покрытия (П)
Кронштейн подрамника левый (3205-1001051)
Дополнительная информация
Кол-во на 32053 32054
1
1
Модель
3205
Группа
Двигатель
Подгруппа
Подвеска двигателя (силового агрегата)
Порядковый номер детали
051
ОКПО класс
45 Изделия автомобильной промышленности
Вид изделия
50-54 - шпильки
Вид покрытия
0 - без покрытия (П)
Болт М12х48 (201539-П29)
Дополнительная информация
Кол-во на 32053 32054
4
4
Покрытие
цинкование и пассивирование (цинковое с хроматированием)
Шайба 12 (252007-П29)
Дополнительная информация
Кол-во на 32053 32054
6
6
Покрытие
цинкование и пассивирование (цинковое с хроматированием)
Шайба 6 (252137-П29)
Дополнительная информация
Кол-во на 32053 32054
4
4
Покрытие
цинкование и пассивирование (цинковое с хроматированием)
Гайка М10 (250512-П29)
Дополнительная информация
Кол-во на 32053 32054
20
20
Покрытие
цинкование и пассивирование (цинковое с хроматированием)
Шайба 10 (252006-П29)
Дополнительная информация
Кол-во на 32053 32054
10
10
Покрытие
цинкование и пассивирование (цинковое с хроматированием)
Болт М10х35 крепления отстойника (201501-П29)
Дополнительная информация
Кол-во на 32053 32054
10
10
Покрытие
цинкование и пассивирование (цинковое с хроматированием)
Болт М12х1,25х110 (200407-П29)
Дополнительная информация
Кол-во на 32053 32054
2
2
Покрытие
цинкование и пассивирование (цинковое с хроматированием)
ОКПО класс
45 Изделия автомобильной промышленности
ОКПО подкласс
9 Унифицированные узлы, детали и крепежные изделия, применяемые в автомобильной промышленности, и ремонтно-эксплуатационные комплекты
Вид изделия
30-39 - болты
Вид покрытия
1 - цинковое с хроматированием (цинкование и пассивирование(П29)
Подушка нижняя передней опоры двигателя (672-1001044)
Дополнительная информация
Кол-во на 32053 32054
2
2
Модель
672
Группа
Двигатель
Подгруппа
Подвеска двигателя (силового агрегата)
Порядковый номер детали
044
ОКПО класс
45 Изделия автомобильной промышленности
Вид изделия
50-54 - шпильки
Вид покрытия
8 - не определено
Втулка распорная подушек передней опоры (4301-1001054)
Дополнительная информация
Кол-во на 32053 32054
2
2
Модель
4301
Группа
Двигатель
Подгруппа
Подвеска двигателя (силового агрегата)
Порядковый номер детали
054
ОКПО класс
45 Изделия автомобильной промышленности
ОКПО подкласс
3 Агрегаты, узлы и детали автомобилей грузовых, специализированных, автопогрузчиков и кузовов- фургонов специальных
Вид изделия
30-39 - болты
Вид покрытия
2 - кадмиевое с хроматированием (П21)
Подушка в сборе (53121001020)
Дополнительная информация
Кол-во на 32053 32054
2
2
Группа
Передок кабины
Подгруппа
Термоизоляция передка
Порядковый номер детали
100
Болт М12х80 (205469-П29)
Дополнительная информация
Кол-во на 32053 32054
2
2
Покрытие
цинкование и пассивирование (цинковое с хроматированием)
ОКПО класс
45 Изделия автомобильной промышленности
ОКПО подкласс
9 Унифицированные узлы, детали и крепежные изделия, применяемые в автомобильной промышленности, и ремонтно-эксплуатационные комплекты
Вид изделия
30-39 - болты
Вид покрытия
1 - цинковое с хроматированием (цинкование и пассивирование(П29)
Подушка подвески двигателя нижняя (64-6039-А2)
Дополнительная информация
Кол-во на 32053 32054
2
2
Подушка нижняя задней опоры двигателя (672-1001036)
Дополнительная информация
Кол-во на 32053 32054
2
2
Модель
672
Группа
Двигатель
Подгруппа
Подвеска двигателя (силового агрегата)
Порядковый номер детали
036
ОКПО класс
45 Изделия автомобильной промышленности
Вид изделия
50-54 - шпильки
Вид покрытия
7 - цинковое с фосфатированием (П53)
Втулка распорная подушек задней опоры (672-1001035)
Дополнительная информация
Кол-во на 32053 32054
2
2
Модель
672
Группа
Двигатель
Подгруппа
Подвеска двигателя (силового агрегата)
Порядковый номер детали
035
ОКПО класс
45 Изделия автомобильной промышленности
Вид изделия
50-54 - шпильки
Вид покрытия
0 - без покрытия (П)
Гнездо нижнее верхней подушки задней опоры (672-1001034)
Дополнительная информация
Кол-во на 32053 32054
2
2
Модель
672
Группа
Двигатель
Подгруппа
Подвеска двигателя (силового агрегата)
Порядковый номер детали
034
ОКПО класс
45 Изделия автомобильной промышленности
Вид изделия
50-54 - шпильки
Вид покрытия
7 - цинковое с фосфатированием (П53)
Подушка подвески двигателя верхняя (64-6025-В)
Дополнительная информация
Кол-во на 32053 32054
2
2
ОКПО класс
45 Изделия автомобильной промышленности
ОКПО подкласс
6 Двигатели автомобильные и мотоциклетные, их узлы и детали
Вид изделия
30-39 - болты
Вид покрытия
0 - без покрытия (П)
Шайба упорная подушек задней опоры (672-1001028)
Дополнительная информация
Кол-во на 32053 32054
2
2
Модель
672
Группа
Двигатель
Подгруппа
Подвеска двигателя (силового агрегата)
Порядковый номер детали
028
ОКПО класс
45 Изделия автомобильной промышленности
Вид изделия
50-54 - шпильки
Вид покрытия
7 - цинковое с фосфатированием (П53)
Колпак защитный верхней подушки задней опоры двигателя (53-1001024-01)
Дополнительная информация
Кол-во на 32053 32054
2
2
Модель
53
Группа
Двигатель
Подгруппа
Подвеска двигателя (силового агрегата)
Порядковый номер детали
024
ОКПО класс
45 Изделия автомобильной промышленности
ОКПО подкласс
6 Двигатели автомобильные и мотоциклетные, их узлы и детали
Вид изделия
40-49 - винты
Вид покрытия
0 - без покрытия (П)
Гайка прорезная стержня диафрагмы (250977-П29)
Дополнительная информация
Кол-во на 32053 32054
2
2
Покрытие
цинкование и пассивирование (цинковое с хроматированием)
ОКПО класс
45 Изделия автомобильной промышленности
ОКПО подкласс
9 Унифицированные узлы, детали и крепежные изделия, применяемые в автомобильной промышленности, и ремонтно-эксплуатационные комплекты
Вид изделия
55-59 - гайки
Вид покрытия
1 - цинковое с хроматированием (цинкование и пассивирование(П29)
Шплинт 3,2х25 (258040-П29)
Дополнительная информация
Кол-во на 32053 32054
2
2
Покрытие
цинкование и пассивирование (цинковое с хроматированием)
Гайка М12х1,25 (250515-П29)
Дополнительная информация
Кол-во на 32053 32054
10
10
Покрытие
цинкование и пассивирование (цинковое с хроматированием)
Шайба 6 (252137-П29)
Дополнительная информация
Кол-во на 32053 32054
10
10
Покрытие
цинкование и пассивирование (цинковое с хроматированием)
Шайба 12 подушек верхних передней опоры (672-1001062)
Дополнительная информация
Кол-во на 32053 32054
2
2
Модель
672
Группа
Двигатель
Подгруппа
Подвеска двигателя (силового агрегата)
Порядковый номер детали
062
ОКПО класс
45 Изделия автомобильной промышленности
Вид изделия
50-54 - шпильки
Вид покрытия
8 - не определено
Кронштейн правый (672-11-1001024)
Дополнительная информация
Кол-во на 32053 32054
1
1
Модель
672-11
Группа
Двигатель
Подгруппа
Подвеска двигателя (силового агрегата)
Порядковый номер детали
024
Кронштейн левый (5312-1001014-01)
Дополнительная информация
Кол-во на 32053 32054
1
1
Модель
5312
Группа
Двигатель
Подгруппа
Подвеска двигателя (силового агрегата)
Порядковый номер детали
014
ОКПО класс
45 Изделия автомобильной промышленности
ОКПО подкласс
3 Агрегаты, узлы и детали автомобилей грузовых, специализированных, автопогрузчиков и кузовов- фургонов специальных
Вид изделия
30-39 - болты
Вид покрытия
5 - окисное (оксидирование (П15)
Кронштейн подрамника правый (3205-1001050)
Дополнительная информация
Кол-во на 32053 32054
1
1
Модель
3205
Группа
Двигатель
Подгруппа
Подвеска двигателя (силового агрегата)
Порядковый номер детали
050
ОКПО класс
45 Изделия автомобильной промышленности
Вид изделия
50-54 - шпильки
Вид покрытия
0 - без покрытия (П)
