Вы можете войти на сайт, если вы зарегистрированы на одном из этих сервисов
Простой поиск
                    
                        
                
            Введите полностью или частично: Каталожный №, Артикул
                            или Наименование товара.
                        
                    Расширенный поиск
                    
                        
                
            Введите раздельно Каталожный № или
                            Артикул и Наименование товара в разных полях.
                        
                        Это позволит получить более точный результат, сузив итоговый список
                    Поздравляем! Вы успешно зарегистрировались на сайте
            www.opex.ru и стали членом команды «ОРЕХ»
        
        Теперь Вам доступны все преимущества и специальные
            возможности
        
        На указанный Вами e-mail
                отправлен запрос на подтверждение регистрации и доступы для входа на сайт.
        
        
    Балашиха магазин запчастей
                            
                            БАЛАШИХА СТО
                                        
                                            +7 (495) 025-42-22
                                            +7 (915) 091-80-94
                                        
                                    ЧЁРНАЯ ГРЯЗЬ СТО
                                        
                                            +7 (495) 025-42-22
                                            +7 (916) 701-14-35
                                        
                                    Одинцово
                                        
                                            +7 (499) 678-21-54
                                            +7 (906) 761-67-17
                                        
                                    Чёрная Грязь
                                        
                                            +7 (499) 678-21-59
                                            +7 (499) 678-33-61
                                        
                                    Дмитровский
                                        
                                            +7 (495) 744-70-47
                                            +7 (495) 484-41-27
                                        
                                    Уважаемые клиенты, цены на сайте действуют исключительно при заказе в интернет-магазине!
Уважаемыемы клиенты и партнеры! Поздравляем вас с Днём Народного Единства! Сообщаем, что в связи с праздником АО «ОРЕХ» с 2 по 4 ноября не работает!
 
 САМОВЫВОЗ. При самовывозе заказа просим за 30 минут до приезда предупредить вашего персонального менеджера. Юр. лицам для получения заказа необходимо обращаться к менеджерам торгового зала.
	  Обращаем Ваше внимание, что обновление цен на товары в наличии происходит каждый день.
	 Срок действия счёта на оплату – три дня. Время нахождения товара под счёт в резерве – три дня. Цены на товары категории «под заказ» уточняйте у менеджеров.
 
 
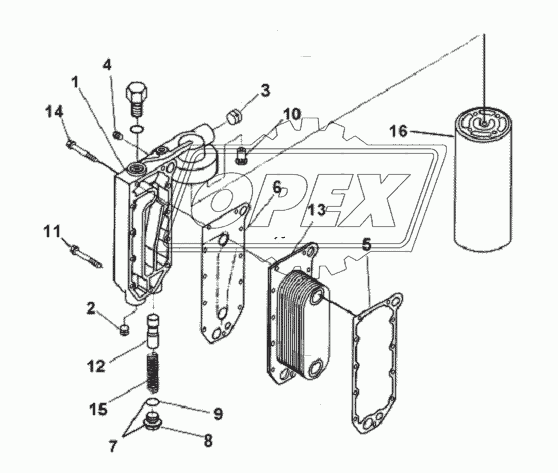
Автокаталог — Маслоохладитель и масляный фильтр L340-20 - L340-20 (43)
№
            Номер детали
            Наименование детали
            Каталог
         
                                 
                            Корпус масляного охладителя (3974326)
Дополнительная информация
Количество
                                    1
                                    Группа
                                    Инструмент шоферский и принадлежности
                                    Подгруппа
                                    3974
                                    Порядковый номер детали
                                    326
                                     
                                 
                            Пробка (C3008468)
Дополнительная информация
Количество
                                    1
                                    Модель
                                    Группа
                                    Тяги рулевые. Оси передняя и задняя
                                    Подгруппа
                                    3008
                                    Порядковый номер детали
                                    468
                                     
                                 
                            Пробка (C3008469)
Дополнительная информация
Количество
                                    1
                                    Модель
                                    Группа
                                    Тяги рулевые. Оси передняя и задняя
                                    Подгруппа
                                    3008
                                    Порядковый номер детали
                                    469
                                     
                                 
                            Пробка (C3906619)
Дополнительная информация
Количество
                                    2
                                    Модель
                                    Группа
                                    Инструмент шоферский и принадлежности
                                    Подгруппа
                                    Комплект запасных частей
                                    Порядковый номер детали
                                    619
                                     
                                 
                            Прокладка масляного охладителя уплотнительная (C3918174)
Дополнительная информация
Количество
                                    1
                                    Модель
                                    Группа
                                    Инструмент шоферский и принадлежности
                                    Подгруппа
                                    3918
                                    Порядковый номер детали
                                    174
                                     
                                 
                            Прокладка корпуса масляного охладителя уплотнительная (C3929011)
Дополнительная информация
Количество
                                    1
                                    Модель
                                    Группа
                                    Инструмент шоферский и принадлежности
                                    Подгруппа
                                    Приспособление для накачивания шин
                                    Порядковый номер детали
                                    011
                                     
                                 
                            Пробка с уплотнительной шайбой в сборе (C3931084)
Дополнительная информация
Количество
                                    1
                                    Модель
                                    Группа
                                    Инструмент шоферский и принадлежности
                                    Подгруппа
                                    3931
                                    Порядковый номер детали
                                    084
                                     
                                 
                            Пробка (C3930910)
Дополнительная информация
Количество
                                    1
                                    Модель
                                    Группа
                                    Инструмент шоферский и принадлежности
                                    Подгруппа
                                    3930
                                    Порядковый номер детали
                                    910
                                     
                                 
                            Шайба уплотнительная (C3930911)
Дополнительная информация
Количество
                                    1
                                    Модель
                                    Группа
                                    Инструмент шоферский и принадлежности
                                    Подгруппа
                                    3930
                                    Порядковый номер детали
                                    911
                                     
                                 
                            Клапан предохранительный (C3934410)
Дополнительная информация
Количество
                                    1
                                    Модель
                                    Группа
                                    Инструмент шоферский и принадлежности
                                    Подгруппа
                                    3934
                                    Порядковый номер детали
                                    410
                                     
                                 
                            Болт (C3944874)
Дополнительная информация
Количество
                                    3
                                    Модель
                                    Группа
                                    Инструмент шоферский и принадлежности
                                    Подгруппа
                                    3944
                                    Порядковый номер детали
                                    874
                                     
                                 
                            Плунжер редукционного клапана (C3945967)
Дополнительная информация
Количество
                                    1
                                    Модель
                                    Группа
                                    Инструмент шоферский и принадлежности
                                    Подгруппа
                                    3945
                                    Порядковый номер детали
                                    967
                                     
                                 
                            Элемент теплопередающий (C3966365)
Дополнительная информация
Количество
                                    1
                                    Модель
                                    Группа
                                    Инструмент шоферский и принадлежности
                                    Подгруппа
                                    3966
                                    Порядковый номер детали
                                    365
                                     
                                 
                            Болт (C3966976)
Дополнительная информация
Количество
                                    8
                                    Модель
                                    Группа
                                    Инструмент шоферский и принадлежности
                                    Подгруппа
                                    3966
                                    Порядковый номер детали
                                    976
                                     
                                 
                            Пружина (C3970655)
Дополнительная информация
Количество
                                    1
                                    Модель
                                    Группа
                                    Инструмент шоферский и принадлежности
                                    Подгруппа
                                    3970
                                    Порядковый номер детали
                                    655
                                     
                                 
                            Фильтр масляный (3401544)
Дополнительная информация
Количество
                                    1
                                    Группа
                                    Управление рулевое
                                    Подгруппа
                                    Управление рулевое (механизм рулевого управления)
                                    Порядковый номер детали
                                    544
                                     
    