Вы можете войти на сайт, если вы зарегистрированы на одном из этих сервисов
Простой поиск
Введите полностью или частично: Каталожный №, Артикул
или Наименование товара.
Расширенный поиск
Введите раздельно Каталожный № или
Артикул и Наименование товара в разных полях.
Это позволит получить более точный результат, сузив итоговый список
Поздравляем! Вы успешно зарегистрировались на сайте
www.opex.ru и стали членом команды «ОРЕХ»
Теперь Вам доступны все преимущества и специальные
возможности
На указанный Вами e-mail
отправлен запрос на подтверждение регистрации и доступы для входа на сайт.
Балашиха магазин запчастей
БАЛАШИХА СТО
+7 (495) 025-42-22
+7 (915) 091-80-94
ЧЁРНАЯ ГРЯЗЬ СТО
+7 (495) 025-42-22
+7 (916) 701-14-35
Одинцово
+7 (499) 678-21-54
+7 (906) 761-67-17
Чёрная Грязь
+7 (499) 678-21-59
+7 (499) 678-33-61
Дмитровский
+7 (495) 744-70-47
+7 (495) 484-41-27
Уважаемые клиенты, цены на сайте действуют исключительно при заказе в интернет-магазине!
САМОВЫВОЗ. При самовывозе заказа просим за 30 минут до приезда предупредить вашего персонального менеджера. Юр. лицам для получения заказа необходимо обращаться к менеджерам торгового зала.
Обращаем Ваше внимание, что обновление цен на товары в наличии происходит каждый день.
Срок действия счёта на оплату – три дня. Время нахождения товара под счёт в резерве – три дня. Цены на товары категории «под заказ» уточняйте у менеджеров.
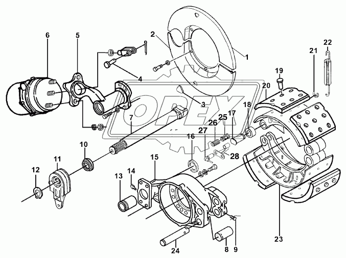
Автокаталог — 3502B-T0400 Тормозной механизм задний правый DFL-4251A - DFL-4251A (275)
№
Номер детали
Наименование детали
Каталог
Кронштейн (2401ZAS03-053)
Дополнительная информация
Количество
1
Масляное уплотнение в сборе (3501N-114)
Дополнительная информация
Количество
2
Ролик задней тормозной колодки (3502N-213)
Дополнительная информация
Количество
2
Щит заднего тормоза (3502XZB-026)
Дополнительная информация
Количество
1
Тормозная колодка задняя нижняя в сборе (3502ZAS01-085)
Дополнительная информация
Количество
1
Тормозная колодка задняя верхняя в сборе (3502ZAS01-185)
Дополнительная информация
Количество
1
Тормозной механизм задний правый в сборе (3502ZAS03A-015)
Дополнительная информация
Количество
1
Болт (Q150B1012)
Дополнительная информация
Количество
6
Болт (Q151B1435)
Дополнительная информация
Количество
4
Гайка (Q341B16)
Дополнительная информация
Количество
2
Пружинная шайба (Q40310)
Дополнительная информация
Количество
6
Пружинная шайба (Q40314)
Дополнительная информация
Количество
4
Пружинная шайба (Q40316)
Дополнительная информация
Количество
2
Шплинт (Q500B0426)
Дополнительная информация
Количество
1
Проволока контровочная (Q50512200)
Дополнительная информация
Количество
1
Модель
Группа
Кабина (Кузов)
Подгруппа
5051
Порядковый номер детали
220
Пыльник нижний заднего тормоза в сборе (3502ZS01F-021)
Дополнительная информация
Количество
1
Верхний пыльник заднего тормоза (3502ZS01F-023)
Дополнительная информация
Количество
1
Забивка (3501N-076)
Дополнительная информация
Количество
2
Штифт (3502N-018)
Дополнительная информация
Количество
1
Кронштейн задний левый с втулкой в сборе (35ZAS01A-02029)
Дополнительная информация
Количество
1
Баллон пружинного тормоза заднего правого в сборе (3530ZB1-002-B)
Дополнительная информация
Количество
1
Кулачный вал заднего левого тормоза (3502ZAS01-041)
Дополнительная информация
Количество
1
Втулка (3502N-093)
Дополнительная информация
Количество
2
Винт крепления оси колодки (3501N-134)
Дополнительная информация
Количество
2
Прокладное кольцо (Q1-35S92-02044-A)
Дополнительная информация
Количество
1
Саморегулирующее устройство в сборе (SRH3551B6-010)
Дополнительная информация
Количество
1
Стопорное кольцо (3501N-046)
Дополнительная информация
Количество
1
Втулка (3502N-039)
Дополнительная информация
Количество
1
Пресс-маслёнка (Q701B45)
Дополнительная информация
Количество
1
Щит заднего тормоза в сборе (3502XZB-025)
Дополнительная информация
Количество
1
Сальник в сборе (3502N-034)
Дополнительная информация
Количество
1
Ось ролика (3501N-102)
Дополнительная информация
Количество
2
Нижняя опора в сборе (3501N-113)
Дополнительная информация
Количество
2
Заклепка крепления фрикционного диска (3501N12-106)
Дополнительная информация
Количество
60
Фрикционный диск заднего тормоза (3502ZAS01-105)
Дополнительная информация
Количество
4
Кольцо стопорное (3501N-118)
Дополнительная информация
Количество
2
Возвратная пружина в сборе (3502N12-064)
Дополнительная информация
Количество
1
Задняя тормозная колодка (3502N12-101-B)
Дополнительная информация
Количество
2
Ось колодки (3502N-132)
Дополнительная информация
Количество
2
Втулка датчика АБС (3550ZB1E-021)
Дополнительная информация
Количество
1
Электромагнитный клапан (35ZB6-01030)
Дополнительная информация
Количество
1
Датчик АБС в сборе (3550ZB1E-020)
Дополнительная информация
Количество
1
Кронштейн заднего датчика (24ABS-10012)
Дополнительная информация
Количество
1
