Вы можете войти на сайт, если вы зарегистрированы на одном из этих сервисов
Простой поиск
Введите полностью или частично: Каталожный №, Артикул
или Наименование товара.
Расширенный поиск
Введите раздельно Каталожный № или
Артикул и Наименование товара в разных полях.
Это позволит получить более точный результат, сузив итоговый список
Поздравляем! Вы успешно зарегистрировались на сайте
www.opex.ru и стали членом команды «ОРЕХ»
Теперь Вам доступны все преимущества и специальные
возможности
На указанный Вами e-mail
отправлен запрос на подтверждение регистрации и доступы для входа на сайт.
Балашиха магазин запчастей
БАЛАШИХА СТО
+7 (495) 025-42-22
+7 (915) 091-80-94
ЧЁРНАЯ ГРЯЗЬ СТО
+7 (495) 025-42-22
+7 (916) 701-14-35
Одинцово
+7 (499) 678-21-54
+7 (906) 761-67-17
Чёрная Грязь
+7 (499) 678-21-59
+7 (499) 678-33-61
Дмитровский
+7 (495) 744-70-47
+7 (495) 484-41-27
Уважаемые клиенты, цены на сайте действуют исключительно при заказе в интернет-магазине!
САМОВЫВОЗ. При самовывозе заказа просим за 30 минут до приезда предупредить вашего персонального менеджера. Юр. лицам для получения заказа необходимо обращаться к менеджерам торгового зала.
Обращаем Ваше внимание, что обновление цен на товары в наличии происходит каждый день.
Срок действия счёта на оплату – три дня. Время нахождения товара под счёт в резерве – три дня. Цены на товары категории «под заказ» уточняйте у менеджеров.
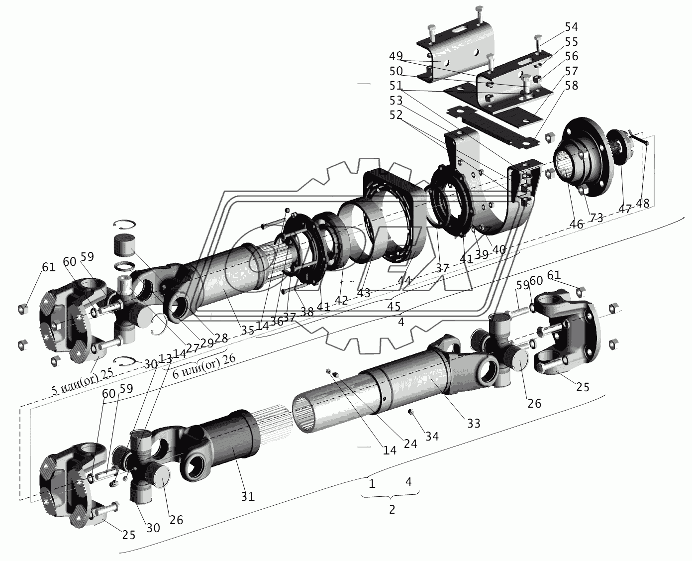
Автокаталог — Установка карданных передач МАЗ-534035, 555035 МАЗ-631236 - 631236, 534035, 650136, 555035 (47)
№
Номер детали
Наименование детали
Каталог
Основной вал карданной передачи в сборе (54326-2201010-02)
Дополнительная информация
1
Модель
54326
Группа
Валы карданные
Подгруппа
Вал карданный основной заднего моста
Порядковый номер детали
010
Основной вал карданной передачи в сборе (555035-2201010)
Дополнительная информация
Кол-во на 534035 555035 631236 650136
1
Модель
555035
Группа
Валы карданные
Подгруппа
Вал карданный основной заднего моста
Порядковый номер детали
010
Карданная передача в сборе привода заднего моста (534035-2201006)
Дополнительная информация
1
Модель
534035
Группа
Валы карданные
Подгруппа
Вал карданный основной заднего моста
Порядковый номер детали
006
Карданная передача в сборе привода заднего моста (555035-2201006)
Дополнительная информация
Кол-во на 534035 555035 631236 650136
1
Модель
555035
Группа
Валы карданные
Подгруппа
Вал карданный основной заднего моста
Порядковый номер детали
006
Вал карданный промежуточный в сборе (533731-2202010)
Дополнительная информация
Кол-во на 534035 555035 631236 650136
1
1
Модель
533731
Группа
Валы карданные
Подгруппа
Вал карданный основной (промежуточный)
Порядковый номер детали
010
Фланец-вилка (103-2201023-21)
Дополнительная информация
Кол-во на 534035 555035 631236 650136
1
1
Модель
103
Группа
Валы карданные
Подгруппа
Вал карданный основной заднего моста
Порядковый номер детали
023
Дополнительно
Не взаимозаменяема с деталью, выпущенной ранее под этим же номером
Крестовина (53205-2201026-10)
Дополнительная информация
Кол-во на 534035 555035 631236 650136
1
1
Модель
53205
Группа
Валы карданные
Подгруппа
Вал карданный основной заднего моста
Порядковый номер детали
026
Дополнительно
Не взаимозаменяема с деталью, выпущенной ранее под этим же номером
Масленка 2.3.90 Ц6хр (264040)
Дополнительная информация
Кол-во на 534035 555035 631236 650136
3
3
Покрытие
без покрытия
Колпачок пресс-масленки (24-2904142)
Дополнительная информация
Кол-во на 534035 555035 631236 650136
6
6
Модель
24
Группа
Подвеска автомобиля
Подгруппа
Стойки и рычаги подвески
Порядковый номер детали
142
Масленка 1.3.Ц6хр (264020)
Дополнительная информация
Кол-во на 534035 555035 631236 650136
1
1
Покрытие
без покрытия
Фланец-вилка (53205-2205023-22)
Дополнительная информация
Кол-во на 534035 555035 631236 650136
2
2
Модель
53205
Группа
Валы карданные
Подгруппа
Вал карданный среднего моста
Порядковый номер детали
023
Дополнительно
Не взаимозаменяема с деталью, выпущенной ранее под этим же номером
Крестовина в сборе (53205-2205025-10)
Дополнительная информация
Кол-во на 534035 555035 631236 650136
2
2
Модель
53205
Группа
Валы карданные
Подгруппа
Вал карданный среднего моста
Порядковый номер детали
025
Дополнительно
Не взаимозаменяема с деталью, выпущенной ранее под этим же номером
Крестовина (53205-2205030-10)
Дополнительная информация
Кол-во на 534035 555035 631236 650136
2
2
Модель
53205
Группа
Валы карданные
Подгруппа
Вал карданный среднего моста
Порядковый номер детали
030
Дополнительно
Не взаимозаменяема с деталью, выпущенной ранее под этим же номером
Подшипник (804707А1С10)
Дополнительная информация
Кол-во на 534035 555035 631236 650136
12
12
Покрытие
лужение
Уплотнение торцевое (53205-2205036)
Дополнительная информация
Кол-во на 534035 555035 631236 650136
12
12
Модель
53205
Группа
Валы карданные
Подгруппа
Вал карданный среднего моста
Порядковый номер детали
036
Кольцо стопорное (53205-2205040)
Дополнительная информация
Кол-во на 534035 555035 631236 650136
12
12
Модель
53205
Группа
Валы карданные
Подгруппа
Вал карданный среднего моста
Порядковый номер детали
040
Вилка скользящая в сборе (6422-2205047)
Дополнительная информация
Кол-во на 534035 555035 631236 650136
1
1
Модель
6422
Группа
Валы карданные
Подгруппа
Вал карданный среднего моста
Порядковый номер детали
047
Вал карданный (54326-2201015)
Дополнительная информация
1
Модель
54326
Группа
Валы карданные
Подгруппа
Вал карданный основной заднего моста
Порядковый номер детали
015
Вал карданный (555035-2201015-20)
Дополнительная информация
Кол-во на 534035 555035 631236 650136
1
Модель
555035
Группа
Валы карданные
Подгруппа
Вал карданный основной заднего моста
Порядковый номер детали
015
Дополнительно
Не взаимозаменяема с деталью, выпущенной ранее под этим же номером
Клапан предохранительный (367116)
Дополнительная информация
Кол-во на 534035 555035 631236 650136
1
1
Покрытие
без покрытия
Вал карданный промежуточный (533731-2202015)
Дополнительная информация
Кол-во на 534035 555035 631236 650136
1
1
Модель
533731
Группа
Валы карданные
Подгруппа
Вал карданный основной (промежуточный)
Порядковый номер детали
015
Масленка 1.1.4ХЛ1 (264072)
Дополнительная информация
Кол-во на 534035 555035 631236 650136
2
2
Покрытие
без покрытия
Сальник (5336-2202059-10)
Дополнительная информация
Кол-во на 534035 555035 631236 650136
2
2
Модель
5336
Группа
Валы карданные
Подгруппа
Вал карданный основной (промежуточный)
Порядковый номер детали
059
Дополнительно
Не взаимозаменяема с деталью, выпущенной ранее под этим же номером
Болт М8-6gх65 (200272)
Дополнительная информация
Кол-во на 534035 555035 631236 650136
6
6
Покрытие
без покрытия
Шайба 8Л (252155)
Дополнительная информация
Кол-во на 534035 555035 631236 650136
6
6
Покрытие
без покрытия
Гайка М8-6Н (250510)
Дополнительная информация
Кол-во на 534035 555035 631236 650136
6
6
Покрытие
без покрытия
Крышка (5336-2202081-10)
Дополнительная информация
Кол-во на 534035 555035 631236 650136
2
2
Модель
5336
Группа
Валы карданные
Подгруппа
Вал карданный основной (промежуточный)
Порядковый номер детали
081
Дополнительно
Не взаимозаменяема с деталью, выпущенной ранее под этим же номером
Подшипник шариковый радиальный промежуточной опоры карданного вала (6-312А)
Дополнительная информация
Кол-во на 534035 555035 631236 650136
1
1
Обойма подшипника (5336-2202084-10)
Дополнительная информация
Кол-во на 534035 555035 631236 650136
1
1
Модель
5336
Группа
Валы карданные
Подгруппа
Вал карданный основной (промежуточный)
Порядковый номер детали
084
Дополнительно
Не взаимозаменяема с деталью, выпущенной ранее под этим же номером
Подушка (5336-22020085)
Дополнительная информация
Кол-во на 534035 555035 631236 650136
1
1
Модель
5336
Группа
Валы карданные
Подгруппа
Вал карданный основной (промежуточный)
Порядковый номер детали
008
Промопора (5336-2202086)
Дополнительная информация
Кол-во на 534035 555035 631236 650136
1
1
Модель
5336
Группа
Валы карданные
Подгруппа
Вал карданный основной (промежуточный)
Порядковый номер детали
086
Фланец (5336-2202050-10)
Дополнительная информация
Кол-во на 534035 555035 631236 650136
1
1
Модель
5336
Группа
Валы карданные
Подгруппа
Вал карданный основной (промежуточный)
Порядковый номер детали
050
Дополнительно
Не взаимозаменяема с деталью, выпущенной ранее под этим же номером
Гайка М42х2-5Н6Н (374964)
Дополнительная информация
Кол-во на 534035 555035 631236 650136
1
1
Покрытие
без покрытия
Шплинт 6,3х63 (Шплинт6,3х63)
Дополнительная информация
Кол-во на 534035 555035 631236 650136
1
1
Кронштейн (534035-2202087)
Дополнительная информация
2
Модель
534035
Группа
Валы карданные
Подгруппа
Вал карданный основной (промежуточный)
Порядковый номер детали
087
Болт М16-6gх50 (202123)
Дополнительная информация
2
Покрытие
без покрытия
Шайба 16 (252017)
Дополнительная информация
4
Покрытие
без покрытия
Гайка М16-6Н (250560)
Дополнительная информация
4
Покрытие
без покрытия
Хомут (53361-2202090)
Дополнительная информация
1
Модель
53361
Группа
Валы карданные
Подгруппа
Вал карданный основной (промежуточный)
Порядковый номер детали
090
Болт М12-6gх30 (201540)
Дополнительная информация
4
Покрытие
без покрытия
Шайба 12.ОТ (252137)
Дополнительная информация
4
Покрытие
без покрытия
Гайка М12-6Н (250514)
Дополнительная информация
4
Покрытие
без покрытия
Кронштейн (5337-2202088)
Дополнительная информация
Кол-во на 534035 555035 631236 650136
1
1
Модель
5337
Группа
Валы карданные
Подгруппа
Вал карданный основной (промежуточный)
Порядковый номер детали
088
Пластина (5336-2202062-10)
Дополнительная информация
Кол-во на 534035 555035 631236 650136
1
1
Модель
5336
Группа
Валы карданные
Подгруппа
Вал карданный основной (промежуточный)
Порядковый номер детали
062
Дополнительно
Не взаимозаменяема с деталью, выпущенной ранее под этим же номером
Болт М14-1,5х55 (372217)
Дополнительная информация
Кол-во на 534035 555035 631236 650136
12
12
Покрытие
без покрытия
Шайба 14.ОТ (252138)
Дополнительная информация
Кол-во на 534035 555035 631236 650136
12
12
Покрытие
без покрытия
Гайка М14х1,5-5Н6Н (374633)
Дополнительная информация
Кол-во на 534035 555035 631236 650136
12
12
Покрытие
без покрытия
