Вы можете войти на сайт, если вы зарегистрированы на одном из этих сервисов
Поздравляем вас с Днём Народного Единства! Сообщаем, что в связи с праздником АО «ОРЕХ» с 2 по 4 ноября не работает!
Автотехцентр “Балашиха” 1 ноября работает с 8:30 до 19:30, с 2 ноября работает в штатном режиме! Автотехцентр “Чёрная Грязь” работает в штатном режиме!
Уважаемые клиенты, цены на сайте действуют исключительно при заказе в интернет-магазине!
 
 САМОВЫВОЗ. При самовывозе заказа просим за 30 минут до приезда предупредить вашего персонального менеджера. Юр. лицам для получения заказа необходимо обращаться к менеджерам торгового зала.
	  Обращаем Ваше внимание, что обновление цен на товары в наличии происходит каждый день.
	 Срок действия счёта на оплату – три дня. Время нахождения товара под счёт в резерве – три дня. Цены на товары категории «под заказ» уточняйте у менеджеров.
 
 
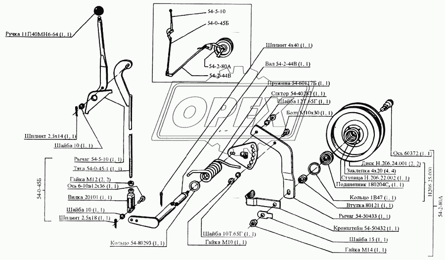
Автокаталог — Механизм включения жатки CK-5М-1 «Нива» - CK-5М-1 «Нива» (163)
 
                                 
                            Шайба (10Т.65Г)
Дополнительная информация
 
                                 
                            Ручка (11П40МН6-64)
Дополнительная информация
 
                                 
                            Шайба (12Т.65Г)
Дополнительная информация
 
                                 
                            Подшипник (18020С9)
Дополнительная информация
 
                                 
                            Кольцо (1В47)
Дополнительная информация
 
                                 
                            Вилка (20101)
Дополнительная информация
 
                                 
                            Тяга (54-0-45-1)
Дополнительная информация
 
                                 
                            - (54-0-45Б)
Дополнительная информация
 
                                 
                            Вал (54-2-44В)
Дополнительная информация
 
                                 
                            Вал (54-2-44В)
Дополнительная информация
 
                                 
                            Шкив (54-2-80А)
Дополнительная информация
 
                                 
                            Сектор (54-40287)
Дополнительная информация
 
                                 
                            Рычаг (54-5-10)
Дополнительная информация
 
                                 
                            Рычаг (54-5-10)
Дополнительная информация
 
                                 
                            Кронштейн (54-50432)
Дополнительная информация
 
                                 
                            Рычаг (54-50433)
Дополнительная информация
 
                                 
                            Пружина (54-60117Б)
Дополнительная информация
 
                                 
                            Кольцо (54-80293)
Дополнительная информация
 
                                 
                            Ось (60372)
Дополнительная информация
 
                                 
                            Втулка (80121)
Дополнительная информация
 
                                 
                            Болт М10х30 (Болт М10х30)
Дополнительная информация
 
                                 
                            Гайка М10 (Гайка М10)
Дополнительная информация
 
                                 
                            Гайка М12 (Гайка М12)
Дополнительная информация
 
                                 
                            Гайка М14 (Гайка М14)
Дополнительная информация
 
                                 
                            Заклепка 4х20 (Заклепка 4х20)
Дополнительная информация
 
                                 
                            Ступица (Н.206.22.002)
Дополнительная информация
 
                                 
                            Диск (Н.206.24.001)
Дополнительная информация
 
                                 
                            Шкив (Н.206.25.000)
Дополнительная информация
 
                                 
                            Ось 6-10в12х36 (Ось 6-10в12х36)
Дополнительная информация
 
                                 
                            Шайба 10 (Шайба 10)
Дополнительная информация
 
                                 
                            Шайба 15 (Шайба 15)
Дополнительная информация
 
                                 
                            Шплинт 2,5х14 (Шплинт 2,5х14)
Дополнительная информация
 
                                 
                            Шплинт 2,5х18 (Шплинт 2,5х18)
Дополнительная информация
 
                                 
                             
    