Вы можете войти на сайт, если вы зарегистрированы на одном из этих сервисов
Поздравляем вас с Днём Народного Единства! Сообщаем, что в связи с праздником АО «ОРЕХ» с 2 по 4 ноября не работает!
Автотехцентр “Балашиха” 1 ноября работает с 8:30 до 19:30, с 2 ноября работает в штатном режиме! Автотехцентр “Чёрная Грязь” работает в штатном режиме!
Уважаемые клиенты, цены на сайте действуют исключительно при заказе в интернет-магазине!
 
 САМОВЫВОЗ. При самовывозе заказа просим за 30 минут до приезда предупредить вашего персонального менеджера. Юр. лицам для получения заказа необходимо обращаться к менеджерам торгового зала.
	  Обращаем Ваше внимание, что обновление цен на товары в наличии происходит каждый день.
	 Срок действия счёта на оплату – три дня. Время нахождения товара под счёт в резерве – три дня. Цены на товары категории «под заказ» уточняйте у менеджеров.
 
 
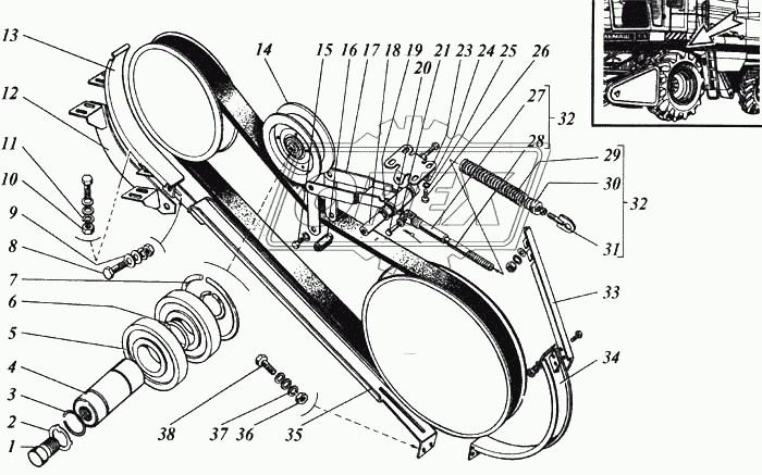
Автокаталог — Механизм включения и выключения привода жатки Дон 1500А - 1500А (168)
 
                                 
                            Болт (М12-6gх20.88.35.019)
Дополнительная информация
 
                                 
                            Шайба (12.01.019)
Дополнительная информация
 
                                 
                            Кольцо ГОСТ 13942-86 (С20)
Дополнительная информация
 
                                 
                            Ось (РСМ-10.01.22.605Г)
Дополнительная информация
 
                                 
                            Подшипник или 180204С17 (180204К10С27)
Дополнительная информация
 
                                 
                            Подшипник или 180204К10С27 (180204С17)
Дополнительная информация
 
                                 
                            Кольцо (Н.206.30.003)
Дополнительная информация
 
                                 
                            Кольцо ГОСТ 13943-86 (С47)
Дополнительная информация
 
                                 
                            Болт (М8-8gх20.88.35.019)
Дополнительная информация
 
                                 
                            Шайба (С8х2.01.019)
Дополнительная информация
 
                                 
                            Гайка (М8-6Н.6.019)
Дополнительная информация
 
                                 
                            Шайба (8Т.65Г.019)
Дополнительная информация
 
                                 
                            Кронштейн (РСМ-10.01.22.220)
Дополнительная информация
 
                                 
                            Кожух (РСМ-10.01.22.070А)
Дополнительная информация
 
                                 
                            Шкив (РСМ-10.01.22.100А)
Дополнительная информация
 
                                 
                            Болт (М10-8gх20.88.35.019)
Дополнительная информация
 
                                 
                            Ось (РСМ-10.01.22.602Б)
Дополнительная информация
 
                                 
                            Вилка (РСМ-10.01.22.110А)
Дополнительная информация
 
                                 
                            Ось (РСМ-10.01.22.616А)
Дополнительная информация
 
                                 
                            Втулка (РСМ-10.05.01.604)
Дополнительная информация
 
                                 
                            Ось (РСМ-10.01.22.603А)
Дополнительная информация
 
                                 
                            Шайба (С10х2.01.019)
Дополнительная информация
 
                                 
                            Шплинт (2х25.019)
Дополнительная информация
 
                                 
                            Кронштейн (РСМ10.01.22.416А)
Дополнительная информация
 
                                 
                            Шайба (С12х2.01.019)
Дополнительная информация
 
                                 
                            Шайба (12Т.65Г.019)
Дополнительная информация
 
                                 
                            Болт (М12-8gх30.88.35.019)
Дополнительная информация
 
                                 
                            Пробка (РСМ-10.01.22.130Б)
Дополнительная информация
 
                                 
                            Ось (РСМ-10.01.22.611Б)
Дополнительная информация
 
                                 
                            Пружина (РСМ-10.01.22.612А)
Дополнительная информация
 
                                 
                            Пробка (РСМ-10.01.22.306)
Дополнительная информация
 
                                 
                            Тяга (РСМ-10.01.22.150А)
Дополнительная информация
 
                                 
                            Пружина в сборе (РСМ-10.01.22.040А)
Дополнительная информация
 
                                 
                            Кронштейн (РСМ-10.01.22.417А)
Дополнительная информация
 
                                 
                            Кожух поддерживающий (РСМ-10.01.22.090Б)
Дополнительная информация
 
                                 
                            Кожух охватывающий (РСМ-10.01.22.080А)
Дополнительная информация
 
                                 
                            Гайка (М10-6Н.6.019)
Дополнительная информация
 
                                 
                            Шайба (10Т.65Г.019)
Дополнительная информация
 
                                 
                             
    