Вы можете войти на сайт, если вы зарегистрированы на одном из этих сервисов
Уважаемые клиенты, цены на сайте действуют исключительно при заказе в интернет-магазине!
Уважаемыемы клиенты и партнеры! Поздравляем вас с Днём Народного Единства! Сообщаем, что в связи с праздником АО «ОРЕХ» с 2 по 4 ноября не работает!
Автотехцентр “Балашиха” и "Чёрная Грязь" 1 ноября работают 8:30-19:30. С 2 ноября работают в штатном режиме!
 
 САМОВЫВОЗ. При самовывозе заказа просим за 30 минут до приезда предупредить вашего персонального менеджера. Юр. лицам для получения заказа необходимо обращаться к менеджерам торгового зала.
	  Обращаем Ваше внимание, что обновление цен на товары в наличии происходит каждый день.
	 Срок действия счёта на оплату – три дня. Время нахождения товара под счёт в резерве – три дня. Цены на товары категории «под заказ» уточняйте у менеджеров.
 
 
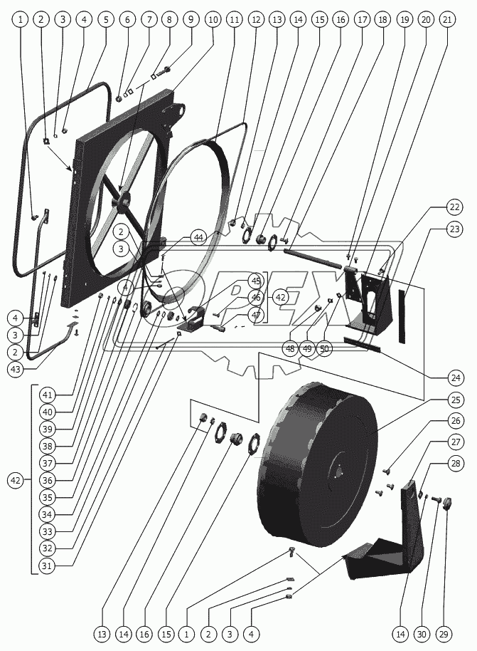
Автокаталог — Воздухозаборник РСМ-181 "Torum-740" (вариант) - РСМ-181 "Torum-740" (188)
 
                                 
                            Болт (М8-6gx20.88.35.019 ГОСТ 7798-70)
Дополнительная информация
 
                                 
                            Шайба (C 8.01.019 ГОСТ 6958-78)
Дополнительная информация
 
                                 
                            Шайба (8Т 65Г 019 ГОСТ 6402-70)
Дополнительная информация
 
                                 
                            Гайка М8-6H.6.019 ГОСТ 5915-70 (М8-6H.6.019 ГОСТ 5915-70)
Дополнительная информация
 
                                 
                            Уплотнитель (181.05.18.009)
Дополнительная информация
 
                                 
                            Гайка (М12-6H.6.019 ГОСТ 5915-70)
Дополнительная информация
 
                                 
                            Шайба (12Т 65Г 019 ГОСТ 6402-70)
Дополнительная информация
 
                                 
                            Шайба (С.12х1.01.019 ГОСТ 11371-78)
Дополнительная информация
 
                                 
                            Болт (М12-6gx70.88.35.019 ГОСТ 7798-70)
Дополнительная информация
 
                                 
                            Корпус (181.05.18.070)
Дополнительная информация
 
                                 
                            Щетка (181.05.18.005)
Дополнительная информация
 
                                 
                            Ремень (РСМ 6201401 13х3550 Li Ausf.05 Optibelt)
Дополнительная информация
 
                                 
                            Гайка (М10-6H.6.019 ГОСТ 5915-70)
Дополнительная информация
 
                                 
                            Шайба (10Т 65Г 019 ГОСТ 6402-70)
Дополнительная информация
 
                                 
                            Корпус подшипника (PF 62)
Дополнительная информация
 
                                 
                            Подшипник (YEL 206-2F)
Дополнительная информация
 
                                 
                            Болт (М10-6gx25.88.35.019 ГОСТ 7798-70)
Дополнительная информация
 
                                 
                            Вал (181.05.18.602)
Дополнительная информация
 
                                 
                            Болт (М6-6gx12.48.019 ГОСТ 7798-70)
Дополнительная информация
 
                                 
                            Опора (1401.05.18.080)
Дополнительная информация
 
                                 
                            Затенитель (181.05.18.030)
Дополнительная информация
 
                                 
                            Болт (М6-6gx16.48.019 ГОСТ 7798-70)
Дополнительная информация
 
                                 
                            Щетка (1401.05.18.006)
Дополнительная информация
 
                                 
                            Щетка (1401.05.18.007)
Дополнительная информация
 
                                 
                            Барабан (181.05.18.050)
Дополнительная информация
 
                                 
                            Болт (М10х20.46.019 ГОСТ 7802-81)
Дополнительная информация
 
                                 
                            Воздуховод (181.05.18.130)
Дополнительная информация
 
                                 
                            Шайба (C 10.01.019 ГОСТ 6958-78)
Дополнительная информация
 
                                 
                            Крышка (54-00560)
Дополнительная информация
 
                                 
                            Болт (М10-6gx25.88.35.019 ГОСТ 7798-70)
Дополнительная информация
 
                                 
                            Шайба (С. 10х1,4.01.019 ГОСТ 11371-78)
Дополнительная информация
 
                                 
                            Болт (М10-6gx200-190.88.35.019 ГОСТ 7798-70)
Дополнительная информация
 
                                 
                            Шайба регулировочная (42136)
Дополнительная информация
 
                                 
                            Шайба (C 20х5.01.019 ГОСТ 10450-78)
Дополнительная информация
 
                                 
                            Шкив (1401.05.00.109)
Дополнительная информация
 
                                 
                            Кольцо (C47 ГОСТ 13943-86)
Дополнительная информация
 
                                 
                            Звездочки натяжные привода шнека и вариатора 54-2-48-1 (180204АС17 ГОСТ 8882-75)
Дополнительная информация
 
                                 
                            Шайба (C 20х2.01.019 ГОСТ 10450-78)
Дополнительная информация
 
                                 
                            Шайба (С.14.01.019 ГОСТ 11371-78)
Дополнительная информация
 
                                 
                            Шайба (14Т 65Г 019 ГОСТ 6402-70)
Дополнительная информация
 
                                 
                            Гайка (М14х1,5-6H.6.019 ГОСТ 5915-70)
Дополнительная информация
 
                                 
                            Натяжник (181.05.18.150)
Дополнительная информация
 
                                 
                            Поручень (181.05.18.040)
Дополнительная информация
 
                                 
                            Болт (М8х25.46.019 ГОСТ 7802-81)
Дополнительная информация
 
                                 
                            Кронштейн (181.05.18.240)
Дополнительная информация
 
                                 
                            Болт (М8х25.46.019 ГОСТ 7802-81)
Дополнительная информация
 
                                 
                            Ось (РСМ-10.24.00.613А)
Дополнительная информация
 
                                 
                            Шайба (C 6х1,4.01.019 ГОСТ 6958-78)
Дополнительная информация
 
                                 
                            Шайба (6Т 65Г 019 ГОСТ 6402-70)
Дополнительная информация
 
                                 
                             
    