Вы можете войти на сайт, если вы зарегистрированы на одном из этих сервисов
Простой поиск
Введите полностью или частично: Каталожный №, Артикул
или Наименование товара.
Расширенный поиск
Введите раздельно Каталожный № или
Артикул и Наименование товара в разных полях.
Это позволит получить более точный результат, сузив итоговый список
Поздравляем! Вы успешно зарегистрировались на сайте
www.opex.ru и стали членом команды «ОРЕХ»
Теперь Вам доступны все преимущества и специальные
возможности
На указанный Вами e-mail
отправлен запрос на подтверждение регистрации и доступы для входа на сайт.
Балашиха магазин запчастей
БАЛАШИХА СТО
+7 (495) 025-42-22
+7 (915) 091-80-94
ЧЁРНАЯ ГРЯЗЬ СТО
+7 (495) 025-42-22
+7 (916) 701-14-35
Одинцово
+7 (499) 678-21-54
+7 (906) 761-67-17
Чёрная Грязь
+7 (499) 678-21-59
+7 (499) 678-33-61
Дмитровский
+7 (495) 744-70-47
+7 (495) 484-41-27
Уважаемые клиенты, цены на сайте действуют исключительно при заказе в интернет-магазине!
САМОВЫВОЗ. При самовывозе заказа просим за 30 минут до приезда предупредить вашего персонального менеджера. Юр. лицам для получения заказа необходимо обращаться к менеджерам торгового зала.
Обращаем Ваше внимание, что обновление цен на товары в наличии происходит каждый день.
Срок действия счёта на оплату – три дня. Время нахождения товара под счёт в резерве – три дня. Цены на товары категории «под заказ» уточняйте у менеджеров.
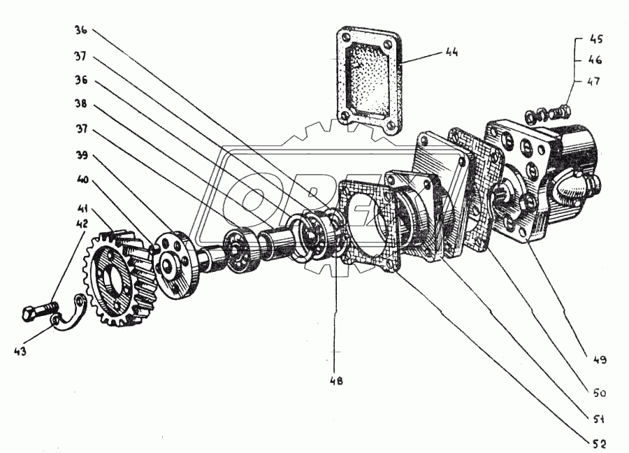
Автокаталог — Привод гидравлического насоса 2 ДТ-75МВ - ДТ-75МВ (113)
№
Номер детали
Наименование детали
Каталог
Насосы НШ46У-Л ТУ 23.1.282-78, НШ10Е-Л-2ТУ 23.1.79-77 с приводами (01-26С1)
Дополнительная информация
Кол-во на ДТ-75МВ
1
Масса Материал
21,5
ОКПО класс
47 Тракторы и сельскохозяйственные машины
ОКПО подкласс
5 Двигатели тракторов и сельскохозяйственных машин
Корпус привода в сборе для насоса НШ46У-Л (6Т2-26С3)
Дополнительная информация
Кол-во на ДТ-75МВ
1
Масса Материал
4,5
ОКПО класс
47 Тракторы и сельскохозяйственные машины
ОКПО подкласс
5 Двигатели тракторов и сельскохозяйственных машин
Привод насоса НШ10Е-Л-2 в сборе (6Т3-26С4)
Дополнительная информация
Кол-во на ДТ-75МВ
1
Масса Материал
2,32
ОКПО класс
47 Тракторы и сельскохозяйственные машины
ОКПО подкласс
5 Двигатели тракторов и сельскохозяйственных машин
Заглушка (14-2619)
Дополнительная информация
Кол-во на ДТ-75МВ
1
Масса Материал
0,001
Сталь 10 ГОСТ 16523-70
Пружина (К77.66.410-1)
Дополнительная информация
Кол-во на ДТ-75МВ
1
Масса Материал
0,002
Проволока 1,2 ГОСТ 9389-75
ОКПО класс
47 Тракторы и сельскохозяйственные машины
ОКПО подкласс
6 Агрегаты, узлы и детали тракторов
Шарик ГОСТ 3722-60 (БV8ммР)
Дополнительная информация
Кол-во на ДТ-75МВ
1
Рычаг включения (01-2634)
Дополнительная информация
Кол-во на ДТ-75МВ
1
Масса Материал
0,2
Сталь 50Л ГОСТ 977-75
ОКПО класс
47 Тракторы и сельскохозяйственные машины
ОКПО подкласс
5 Двигатели тракторов и сельскохозяйственных машин
Привод насоса НШ46У-Л в сборе (6Т2-26С2)
Дополнительная информация
Кол-во на ДТ-75МВ
1
Масса Материал
6,78
ОКПО класс
47 Тракторы и сельскохозяйственные машины
ОКПО подкласс
5 Двигатели тракторов и сельскохозяйственных машин
Кольцо уплотнительное (СМД2-2622-1)
Дополнительная информация
Кол-во на ДТ-75МВ
1
Масса Материал
0,001
Резина ТУ 38.005.204-71
Прокладка (6Т2-2604)
Дополнительная информация
Кол-во на ДТ-75МВ
1
Масса Материал
0,006
Паронит 0,6 ГОСТ 481-71
ОКПО класс
47 Тракторы и сельскохозяйственные машины
ОКПО подкласс
5 Двигатели тракторов и сельскохозяйственных машин
Шайба стопорная (01М-2638)
Дополнительная информация
Кол-во на ДТ-75МВ
1
Масса Материал
0,004
Сталь 08кп ГОСТ 16523-70
ОКПО класс
47 Тракторы и сельскохозяйственные машины
ОКПО подкласс
5 Двигатели тракторов и сельскохозяйственных машин
Гайка ГОСТ 2526-70 (М16.6Н.8.05)
Дополнительная информация
Кол-во на ДТ-75МВ
1
Масса Материал
0,015449
Сталь 10 ГОСТ 1050-74
Болт ГОСТ 7795-70 (М10-6gх110.58.05)
Дополнительная информация
Кол-во на ДТ-75МВ
2
Масса Материал
0,053
Сталь 35 ГОСТ 10702-78
Винт установочный (01-2636)
Дополнительная информация
Кол-во на ДТ-75МВ
1
Масса Материал
0,011
Сталь 45х ГОСТ 4543-75
ОКПО класс
47 Тракторы и сельскохозяйственные машины
ОКПО подкласс
5 Двигатели тракторов и сельскохозяйственных машин
Шайба ГОСТ 11371-78 (8.37)
Дополнительная информация
Кол-во на ДТ-75МВ
1
Масса Материал
0,215
Сталь 08кп ГОСТ 9045-70
Корпус привода гидронасоса (01-2601)
Дополнительная информация
Кол-во на ДТ-75МВ
1
Масса Материал
4,138
СЧ 15 ГОСТ 1412-79
ОКПО класс
47 Тракторы и сельскохозяйственные машины
ОКПО подкласс
5 Двигатели тракторов и сельскохозяйственных машин
Прокладка (СМД2-2616-1)
Дополнительная информация
Кол-во на ДТ-75МВ
1
Масса Материал
0,008
Паронит 0,6 ГОСТ 481-71
Шпилька СТП 208.478-75 (М10х28.88.013)
Дополнительная информация
Кол-во на ДТ-75МВ
2
Шайба ГОСТ 10450-78 (10х2.01.011)
Дополнительная информация
Кол-во на ДТ-75МВ
4
Шайба ГОСТ 6402-70 (10.65Г.05)
Дополнительная информация
Кол-во на ДТ-75МВ
6
Масса Материал
0,001945
Сталь 65Г ГОСТ 1050-74
Гайка ГОСТ 5927-70 (М10.6Н.6.10.013)
Дополнительная информация
Кол-во на ДТ-75МВ
2
Масса Материал
0,002441
Сталь 10 ГОСТ 1050-74
Шплинт ГОСТ 397-79 (3.2х32-005)
Дополнительная информация
Кол-во на ДТ-75МВ
1
Масса Материал
0,0025
Сталь 10 ГОСТ 1050-74
Ограничитель (СМД2-2618)
Дополнительная информация
Кол-во на ДТ-75МВ
1
Масса Материал
0,021
Сталь 40 ГОСТ 1050-74
Подшипник ГОСТ 8338-75 (№204)
Дополнительная информация
Кол-во на ДТ-75МВ
1
Болт ГОСТ 7795-70 (М10-6gх100.88.05)
Дополнительная информация
Кол-во на ДТ-75МВ
2
Масса Материал
0,0454
Сталь 35 ГОСТ 10702-78
Вилка (СМД2-2606-1А)
Дополнительная информация
Кол-во на ДТ-75МВ
1
Масса Материал
0,184
Сталь 55Л ГОСТ 977-75
ОКПО класс
47 Тракторы и сельскохозяйственные машины
ОКПО подкласс
5 Двигатели тракторов и сельскохозяйственных машин
Подшипник ГОСТ 8338-75 (№207)
Дополнительная информация
Кол-во на ДТ-75МВ
1
Колесо зубчатое (А33.12.012)
Дополнительная информация
Кол-во на ДТ-75МВ
1
Масса Материал
1
Сталь 40х ГОСТ 4543-71
ОКПО класс
47 Тракторы и сельскохозяйственные машины
ОКПО подкласс
5 Двигатели тракторов и сельскохозяйственных машин
Кольцо упорное ГОСТ 13943-68 (Б72)
Дополнительная информация
Кол-во на ДТ-75МВ
1
Масса Материал
0,028614
Сталь 10 ГОСТ 1050-74
Шпонка сегментная (6х11)
Дополнительная информация
Кол-во на ДТ-75МВ
1
Масса Материал
0,0136
Сталь шпоночная сегментная ГОСТ 8786-68
Вал привода гидравлического насоса (СМД7-2602-1)
Дополнительная информация
Кол-во на ДТ-75МВ
1
Масса Материал
0,345
Сталь 45х ГОСТ 4543-71
Муфта кулачковая (СМД2-26056)
Дополнительная информация
Кол-во на ДТ-75МВ
1
Масса Материал
0,172
Сталь 40хЛ ГОСТ 977-75
ОКПО класс
47 Тракторы и сельскохозяйственные машины
ОКПО подкласс
5 Двигатели тракторов и сельскохозяйственных машин
Сухарик (01М-2607)
Дополнительная информация
Кол-во на ДТ-75МВ
2
Масса Материал
0,01
Сталь 40х ГОСТ 4543-71
ОКПО класс
47 Тракторы и сельскохозяйственные машины
ОКПО подкласс
5 Двигатели тракторов и сельскохозяйственных машин
Кольцо (Б52)
Дополнительная информация
Кол-во на ДТ-75МВ
2
Масса Материал
0,001424
Сталь 10 ГОСТ 1050-74
Подшипник ГОСТ 8338-75 (№205)
Дополнительная информация
Кол-во на ДТ-75МВ
2
Кольцо распорное (6Т3-2629)
Дополнительная информация
Кол-во на ДТ-75МВ
1
Масса Материал
0,045
Сталь 10 ГОСТ 8733-74
ОКПО класс
47 Тракторы и сельскохозяйственные машины
ОКПО подкласс
5 Двигатели тракторов и сельскохозяйственных машин
Вал привода для насоса НШ10Е-Л-2 (6Т3-2626)
Дополнительная информация
Кол-во на ДТ-75МВ
1
Масса Материал
0,435
Сталь 40х ГОСТ 4543-71
ОКПО класс
47 Тракторы и сельскохозяйственные машины
ОКПО подкласс
5 Двигатели тракторов и сельскохозяйственных машин
Штифт ГОСТ 3128-70 (8Гх16)
Дополнительная информация
Кол-во на ДТ-75МВ
1
Колесо зубчатое (А33.00.003)
Дополнительная информация
Кол-во на ДТ-75МВ
1
Масса Материал
0,57
Сталь 40х ГОСТ 4543-71
ОКПО класс
47 Тракторы и сельскохозяйственные машины
ОКПО подкласс
5 Двигатели тракторов и сельскохозяйственных машин
Болт ГОСТ 7796-70 (М8-6gх20.88.35.013)
Дополнительная информация
Кол-во на ДТ-75МВ
4
Масса Материал
0,01209
Сталь 35 ГОСТ 10702-78
Болт ГОСТ 7796-70 (М8-6gх30.88.35.013)
Дополнительная информация
Кол-во на ДТ-75МВ
4
Масса Материал
0,01594
Сталь 35 ГОСТ 10702-78
Шайба ГОСТ 6402-70 (8.65Г.05)
Дополнительная информация
Кол-во на ДТ-75МВ
8
Масса Материал
0,000998
Сталь 65Г ГОСТ 1050-74
Шайба ГОСТ 11371-78 (8.01.011)
Дополнительная информация
Кол-во на ДТ-75МВ
4
Масса Материал
0,215
Сталь 08кл ГОСТ 9045-70
Кольцо упорное ГОСТ 13942-68 (Б25)
Дополнительная информация
Кол-во на ДТ-75МВ
1
Масса Материал
0,002684
Сталь 10 ГОСТ 1050-74
Прокладка (01-2631)
Дополнительная информация
Кол-во на ДТ-75МВ
1
Масса Материал
0,008
Паронит 0,6 ГОСТ 481-71
ОКПО класс
47 Тракторы и сельскохозяйственные машины
ОКПО подкласс
5 Двигатели тракторов и сельскохозяйственных машин
Корпус привода для насоса НШ10Е-Л-2 (01-2610)
Дополнительная информация
Кол-во на ДТ-75МВ
1
Масса Материал
1,48
СЧ 15 ГОСТ 1412-79
ОКПО класс
47 Тракторы и сельскохозяйственные машины
ОКПО подкласс
5 Двигатели тракторов и сельскохозяйственных машин
Прокладка (6Т3-2632)
Дополнительная информация
Кол-во на ДТ-75МВ
1
Масса Материал
0,004
Паронит 0,6 ГОСТ 481-71
ОКПО класс
47 Тракторы и сельскохозяйственные машины
ОКПО подкласс
5 Двигатели тракторов и сельскохозяйственных машин
