Вы можете войти на сайт, если вы зарегистрированы на одном из этих сервисов
Простой поиск
Введите полностью или частично: Каталожный №, Артикул
или Наименование товара.
Расширенный поиск
Введите раздельно Каталожный № или
Артикул и Наименование товара в разных полях.
Это позволит получить более точный результат, сузив итоговый список
Поздравляем! Вы успешно зарегистрировались на сайте
www.opex.ru и стали членом команды «ОРЕХ»
Теперь Вам доступны все преимущества и специальные
возможности
На указанный Вами e-mail
отправлен запрос на подтверждение регистрации и доступы для входа на сайт.
Балашиха магазин запчастей
БАЛАШИХА СТО
+7 (495) 025-42-22
+7 (915) 091-80-94
ЧЁРНАЯ ГРЯЗЬ СТО
+7 (495) 025-42-22
+7 (916) 701-14-35
Одинцово
+7 (499) 678-21-54
+7 (906) 761-67-17
Чёрная Грязь
+7 (499) 678-21-59
+7 (499) 678-33-61
Дмитровский
+7 (495) 744-70-47
+7 (495) 484-41-27
Уважаемые клиенты, цены на сайте действуют исключительно при заказе в интернет-магазине!
САМОВЫВОЗ. При самовывозе заказа просим за 30 минут до приезда предупредить вашего персонального менеджера. Юр. лицам для получения заказа необходимо обращаться к менеджерам торгового зала.
Обращаем Ваше внимание, что обновление цен на товары в наличии происходит каждый день.
Срок действия счёта на оплату – три дня. Время нахождения товара под счёт в резерве – три дня. Цены на товары категории «под заказ» уточняйте у менеджеров.
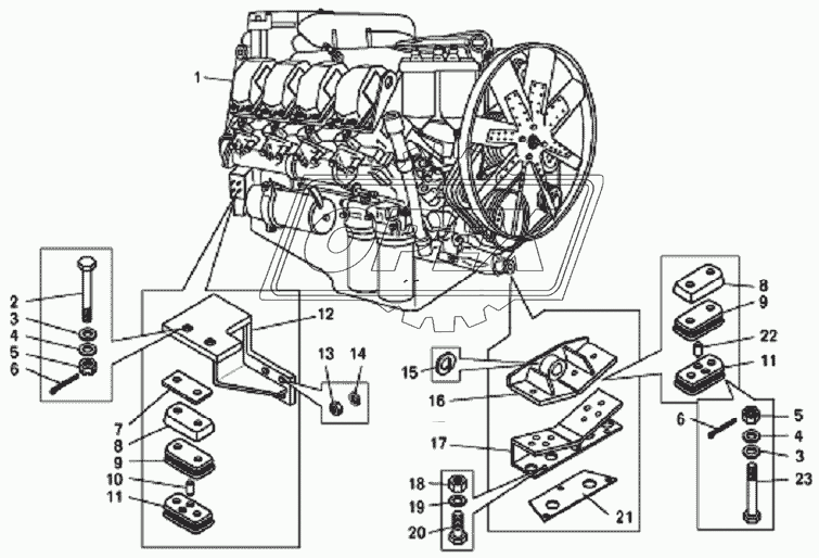
Автокаталог — Установка двигателя на бульдозере БелАЗ-7823 БелАЗ-7823 - 7823, 78231 (20)
№
Номер детали
Наименование детали
Каталог
Двигатель 8424.10-06 (8424.1000175-06)
Дополнительная информация
Кол-во на 7823 78231
1
Модель
8424
Группа
Двигатель
Подгруппа
Двигатель в сборе
Порядковый номер детали
175
ОКПО класс
45 Изделия автомобильной промышленности
ОКПО подкласс
6 Двигатели автомобильные и мотоциклетные, их узлы и детали
Вид изделия
40-49 - винты
Вид покрытия
0 - без покрытия (П)
Болт (340778)
Дополнительная информация
Кол-во на 7823 78231
4
Покрытие
без покрытия
ОКПО класс
45 Изделия автомобильной промышленности
ОКПО подкласс
9 Унифицированные узлы, детали и крепежные изделия, применяемые в автомобильной промышленности, и ремонтно-эксплуатационные комплекты
Вид изделия
90-99 - детали, соединяющие трубопроводы, резьбовые пробки
Вид покрытия
1 - цинковое с хроматированием (цинкование и пассивирование(П29)
Шайба (252016)
Дополнительная информация
Кол-во на 7823 78231
24
Покрытие
без покрытия
ОКПО класс
45 Изделия автомобильной промышленности
ОКПО подкласс
9 Унифицированные узлы, детали и крепежные изделия, применяемые в автомобильной промышленности, и ремонтно-эксплуатационные комплекты
Вид изделия
80-81 - шайбы
Вид покрытия
1 - цинковое с хроматированием (цинкование и пассивирование(П29)
Шайба (252046)
Дополнительная информация
Кол-во на 7823 78231
8
Покрытие
без покрытия
ОКПО класс
45 Изделия автомобильной промышленности
ОКПО подкласс
9 Унифицированные узлы, детали и крепежные изделия, применяемые в автомобильной промышленности, и ремонтно-эксплуатационные комплекты
Вид изделия
80-81 - шайбы
Вид покрытия
1 - цинковое с хроматированием (цинкование и пассивирование(П29)
Гайка (374625)
Дополнительная информация
Кол-во на 7823 78231
8
Покрытие
без покрытия
ОКПО класс
45 Изделия автомобильной промышленности
ОКПО подкласс
9 Унифицированные узлы, детали и крепежные изделия, применяемые в автомобильной промышленности, и ремонтно-эксплуатационные комплекты
Вид изделия
90-99 - детали, соединяющие трубопроводы, резьбовые пробки
Вид покрытия
4 - многослойное медь-никель-хром (хромирование блестящее с полировкой (П13)
Шплинт (258040)
Дополнительная информация
Кол-во на 7823 78231
8
Покрытие
без покрытия
ОКПО класс
45 Изделия автомобильной промышленности
ОКПО подкласс
9 Унифицированные узлы, детали и крепежные изделия, применяемые в автомобильной промышленности, и ремонтно-эксплуатационные комплекты
Вид изделия
87-89 - шплинты, хомуты
Вид покрытия
1 - цинковое с хроматированием (цинкование и пассивирование(П29)
Прокладка регулировочная (7548-1001428)
Дополнительная информация
Кол-во на 7823 78231
12
Модель
7548
Группа
Двигатель
Подгруппа
Подвеска двигателя (силового агрегата)
Порядковый номер детали
428
ОКПО класс
45 Изделия автомобильной промышленности
ОКПО подкласс
3 Агрегаты, узлы и детали автомобилей грузовых, специализированных, автопогрузчиков и кузовов- фургонов специальных
Вид изделия
60-65 - винты самонарезающие
Вид покрытия
5 - окисное (оксидирование (П15)
Кожух защитный (7548-1001432)
Дополнительная информация
Кол-во на 7823 78231
4
Модель
7548
Группа
Двигатель
Подгруппа
Подвеска двигателя (силового агрегата)
Порядковый номер детали
432
ОКПО класс
45 Изделия автомобильной промышленности
ОКПО подкласс
3 Агрегаты, узлы и детали автомобилей грузовых, специализированных, автопогрузчиков и кузовов- фургонов специальных
Вид изделия
60-65 - винты самонарезающие
Вид покрытия
5 - окисное (оксидирование (П15)
Амортизатор верхний (7548-1001410)
Дополнительная информация
Кол-во на 7823 78231
4
Модель
7548
Группа
Двигатель
Подгруппа
Подвеска двигателя (силового агрегата)
Порядковый номер детали
410
ОКПО класс
45 Изделия автомобильной промышленности
ОКПО подкласс
3 Агрегаты, узлы и детали автомобилей грузовых, специализированных, автопогрузчиков и кузовов- фургонов специальных
Вид изделия
60-65 - винты самонарезающие
Вид покрытия
5 - окисное (оксидирование (П15)
Штифт (343532)
Дополнительная информация
Кол-во на 7823 78231
4
Покрытие
без покрытия
ОКПО класс
45 Изделия автомобильной промышленности
ОКПО подкласс
9 Унифицированные узлы, детали и крепежные изделия, применяемые в автомобильной промышленности, и ремонтно-эксплуатационные комплекты
Вид изделия
90-99 - детали, соединяющие трубопроводы, резьбовые пробки
Вид покрытия
8 - не определено
Амортизатор нижний (7548-1001420)
Дополнительная информация
Кол-во на 7823 78231
4
Модель
7548
Группа
Двигатель
Подгруппа
Подвеска двигателя (силового агрегата)
Порядковый номер детали
420
ОКПО класс
45 Изделия автомобильной промышленности
ОКПО подкласс
3 Агрегаты, узлы и детали автомобилей грузовых, специализированных, автопогрузчиков и кузовов- фургонов специальных
Вид изделия
60-65 - винты самонарезающие
Вид покрытия
5 - окисное (оксидирование (П15)
Кронштейн правый (7822-1001540)
Дополнительная информация
Кол-во на 7823 78231
1
Модель
7822
Группа
Двигатель
Подгруппа
Подвеска двигателя (силового агрегата)
Порядковый номер детали
540
ОКПО класс
45 Изделия автомобильной промышленности
ОКПО подкласс
3 Агрегаты, узлы и детали автомобилей грузовых, специализированных, автопогрузчиков и кузовов- фургонов специальных
Вид изделия
60-65 - винты самонарезающие
Вид покрытия
0 - без покрытия (П)
Кронштейн левый (7822-1001541)
Дополнительная информация
Кол-во на 7823 78231
1
Модель
7822
Группа
Двигатель
Подгруппа
Подвеска двигателя (силового агрегата)
Порядковый номер детали
541
ОКПО класс
45 Изделия автомобильной промышленности
ОКПО подкласс
3 Агрегаты, узлы и детали автомобилей грузовых, специализированных, автопогрузчиков и кузовов- фургонов специальных
Вид изделия
60-65 - винты самонарезающие
Вид покрытия
0 - без покрытия (П)
Гайка (250559)
Дополнительная информация
Кол-во на 7823 78231
8
Покрытие
без покрытия
ОКПО класс
45 Изделия автомобильной промышленности
ОКПО подкласс
9 Унифицированные узлы, детали и крепежные изделия, применяемые в автомобильной промышленности, и ремонтно-эксплуатационные комплекты
Вид изделия
55-59 - гайки
Вид покрытия
1 - цинковое с хроматированием (цинкование и пассивирование(П29)
Шайба (252138)
Дополнительная информация
Кол-во на 7823 78231
8
Покрытие
без покрытия
ОКПО класс
45 Изделия автомобильной промышленности
ОКПО подкласс
9 Унифицированные узлы, детали и крепежные изделия, применяемые в автомобильной промышленности, и ремонтно-эксплуатационные комплекты
Вид изделия
80-81 - шайбы
Вид покрытия
6 - фосфатное с промасливанием (П2)
Кольцо (549-3401539)
Дополнительная информация
Кол-во на 7823 78231
1
Модель
549
Группа
Управление рулевое
Подгруппа
Управление рулевое (механизм рулевого управления)
Порядковый номер детали
539
ОКПО класс
45 Изделия автомобильной промышленности
ОКПО подкласс
9 Унифицированные узлы, детали и крепежные изделия, применяемые в автомобильной промышленности, и ремонтно-эксплуатационные комплекты
Вид изделия
83 - кольца пружинные
Вид покрытия
0 - без покрытия (П)
Кронштейн передний (74211-1001070)
Дополнительная информация
Кол-во на 7823 78231
1
Модель
74211
Группа
Двигатель
Подгруппа
Подвеска двигателя (силового агрегата)
Порядковый номер детали
070
ОКПО класс
45 Изделия автомобильной промышленности
ОКПО подкласс
3 Агрегаты, узлы и детали автомобилей грузовых, специализированных, автопогрузчиков и кузовов- фургонов специальных
Вид изделия
60-65 - винты самонарезающие
Вид покрытия
3 - многослойное медь-никель (никелирование и полировка (П6)
Балка передней опоры (7548-1001006)
Дополнительная информация
Кол-во на 7823 78231
1
Модель
7548
Группа
Двигатель
Подгруппа
Подвеска двигателя (силового агрегата)
Порядковый номер детали
006
Гайка (250560)
Дополнительная информация
Кол-во на 7823 78231
3
Покрытие
без покрытия
ОКПО класс
45 Изделия автомобильной промышленности
ОКПО подкласс
9 Унифицированные узлы, детали и крепежные изделия, применяемые в автомобильной промышленности, и ремонтно-эксплуатационные комплекты
Вид изделия
55-59 - гайки
Вид покрытия
1 - цинковое с хроматированием (цинкование и пассивирование(П29)
Шайба (252139)
Дополнительная информация
Кол-во на 7823 78231
3
Покрытие
без покрытия
ОКПО класс
45 Изделия автомобильной промышленности
ОКПО подкласс
9 Унифицированные узлы, детали и крепежные изделия, применяемые в автомобильной промышленности, и ремонтно-эксплуатационные комплекты
Вид изделия
80-81 - шайбы
Вид покрытия
6 - фосфатное с промасливанием (П2)
Болт (202119)
Дополнительная информация
Кол-во на 7823 78231
3
Покрытие
без покрытия
ОКПО класс
45 Изделия автомобильной промышленности
ОКПО подкласс
9 Унифицированные узлы, детали и крепежные изделия, применяемые в автомобильной промышленности, и ремонтно-эксплуатационные комплекты
Вид изделия
30-39 - болты
Вид покрытия
1 - цинковое с хроматированием (цинкование и пассивирование(П29)
Прокладка регулировочная (7548-1001429)
Дополнительная информация
Кол-во на 7823 78231
8
Модель
7548
Группа
Двигатель
Подгруппа
Подвеска двигателя (силового агрегата)
Порядковый номер детали
429
ОКПО класс
45 Изделия автомобильной промышленности
ОКПО подкласс
3 Агрегаты, узлы и детали автомобилей грузовых, специализированных, автопогрузчиков и кузовов- фургонов специальных
Вид изделия
60-65 - винты самонарезающие
Вид покрытия
6 - фосфатное с промасливанием (П2)
Штифт (343623)
Дополнительная информация
Кол-во на 7823 78231
4
Покрытие
без покрытия
ОКПО класс
45 Изделия автомобильной промышленности
ОКПО подкласс
9 Унифицированные узлы, детали и крепежные изделия, применяемые в автомобильной промышленности, и ремонтно-эксплуатационные комплекты
Вид изделия
90-99 - детали, соединяющие трубопроводы, резьбовые пробки
Вид покрытия
8 - не определено
Болт (340407)
Дополнительная информация
Кол-во на 7823 78231
4
Покрытие
без покрытия
ОКПО класс
45 Изделия автомобильной промышленности
ОКПО подкласс
9 Унифицированные узлы, детали и крепежные изделия, применяемые в автомобильной промышленности, и ремонтно-эксплуатационные комплекты
Вид изделия
90-99 - детали, соединяющие трубопроводы, резьбовые пробки
Вид покрытия
1 - цинковое с хроматированием (цинкование и пассивирование(П29)
