Вы можете войти на сайт, если вы зарегистрированы на одном из этих сервисов
Простой поиск
Введите полностью или частично: Каталожный №, Артикул
или Наименование товара.
Расширенный поиск
Введите раздельно Каталожный № или
Артикул и Наименование товара в разных полях.
Это позволит получить более точный результат, сузив итоговый список
Поздравляем! Вы успешно зарегистрировались на сайте
www.opex.ru и стали членом команды «ОРЕХ»
Теперь Вам доступны все преимущества и специальные
возможности
На указанный Вами e-mail
отправлен запрос на подтверждение регистрации и доступы для входа на сайт.
Балашиха магазин запчастей
БАЛАШИХА СТО
+7 (495) 025-42-22
+7 (915) 091-80-94
ЧЁРНАЯ ГРЯЗЬ СТО
+7 (495) 025-42-22
+7 (916) 701-14-35
Одинцово
+7 (499) 678-21-54
+7 (906) 761-67-17
Чёрная Грязь
+7 (499) 678-21-59
+7 (499) 678-33-61
Дмитровский
+7 (495) 744-70-47
+7 (495) 484-41-27
Уважаемые клиенты, цены на сайте действуют исключительно при заказе в интернет-магазине!
Уважаемыемы клиенты и партнеры! Поздравляем вас с Днём Народного Единства! Сообщаем, что в связи с праздником АО «ОРЕХ» с 2 по 4 ноября не работает!
САМОВЫВОЗ. При самовывозе заказа просим за 30 минут до приезда предупредить вашего персонального менеджера. Юр. лицам для получения заказа необходимо обращаться к менеджерам торгового зала.
Обращаем Ваше внимание, что обновление цен на товары в наличии происходит каждый день.
Срок действия счёта на оплату – три дня. Время нахождения товара под счёт в резерве – три дня. Цены на товары категории «под заказ» уточняйте у менеджеров.
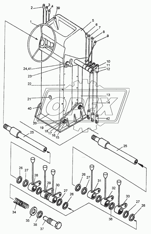
Автокаталог — Колонка рулевая 5 ДЗ-98В - ДЗ-98В (108)
№
Номер детали
Наименование детали
Каталог
Колесо рулевое (4310-3721.01В)
Дополнительная информация
Кол-во на ДЗ-98В
1
Ручка (ДЗ-140А.50.09.000-04)
Дополнительная информация
Кол-во на ДЗ-98В
1
Ручка (ДЗ-140А.50.09.000)
Дополнительная информация
Кол-во на ДЗ-98В
1
Ручка (ДЗ-140А.50.09.000-01)
Дополнительная информация
Кол-во на ДЗ-98В
1
Пульт управления (ДЗ-140А.50.01.000-11)
Дополнительная информация
Кол-во на ДЗ-98В
1
Пульт управления (ДЗ-140А.50.01.180)
Дополнительная информация
Кол-во на ДЗ-98В
1
Ручка (ДЗ-140А.50.09.000-07)
Дополнительная информация
Кол-во на ДЗ-98В
1
Ручка (ДЗ-140А.50.09.000-08)
Дополнительная информация
Кол-во на ДЗ-98В
1
Ручка (ДЗ-140А.50.09.000-09)
Дополнительная информация
Кол-во на ДЗ-98В
1
Ручка (ДЗ-140А.50.10.080)
Дополнительная информация
Кол-во на ДЗ-98В
1
Палец (Д144-34-014)
Дополнительная информация
Кол-во на ДЗ-98В
6
Вилка (ДЗ-98В.39.01 007)
Дополнительная информация
Кол-во на ДЗ-98В
6
Гайка (М10-6Н.5.019 5915)
Дополнительная информация
Кол-во на ДЗ-98В
19
Корпус (ДЗ-140А.50.10.010)
Дополнительная информация
Кол-во на ДЗ-98В
1
Тяга (ДЗ-140А.50.00. 009-11)
Дополнительная информация
Кол-во на ДЗ-98В
6
Болт (М10-6gх45.58.019 7798)
Дополнительная информация
Кол-во на ДЗ-98В
12
Шайба (10.65Г.069 6402)
Дополнительная информация
Кол-во на ДЗ-98В
22
Кольцо (067.14.12 033)
Дополнительная информация
Кол-во на ДЗ-98В
8
Втулка (ДЗ-140А.50.10.038)
Дополнительная информация
Кол-во на ДЗ-98В
8
Кронштейн (ДЗ-140А.50.10 050-10)
Дополнительная информация
Кол-во на ДЗ-98В
1
Корпус (ДЗ-140А.50.10.020-10)
Дополнительная информация
Кол-во на ДЗ-98В
1
Болт (М10-6gх20.58.019 7798)
Дополнительная информация
Кол-во на ДЗ-98В
2
Винт (ВМ6-6gх16 58 019 17473)
Дополнительная информация
Кол-во на ДЗ-98В
18
Ручка (ДЗ-140А.50.10.130)
Дополнительная информация
Кол-во на ДЗ-98В
1
Кольцо (067.14.12.034)
Дополнительная информация
Кол-во на ДЗ-98В
2
Вал (ДЗ-140А.50.20.010-10)
Дополнительная информация
Кол-во на ДЗ-98В
2
Шайба (067.14.11.053)
Дополнительная информация
Кол-во на ДЗ-98В
2
Кольцо (ДЗ-140А.50.00.003)
Дополнительная информация
Кол-во на ДЗ-98В
7
Рычаг (ДЗ-140А.50.30.070)
Дополнительная информация
Кол-во на ДЗ-98В
1
Рычаг (ДЗ-140А.50.30.050)
Дополнительная информация
Кол-во на ДЗ-98В
1
Рычаг (ДЗ-140А.50.30.030)
Дополнительная информация
Кол-во на ДЗ-98В
1
Рычаг (ДЗ-140А.50.30.020)
Дополнительная информация
Кол-во на ДЗ-98В
1
Рычаг (ДЗ-140А.50.30.040)
Дополнительная информация
Кол-во на ДЗ-98В
1
Рычаг (ДЗ-140А. 50.30.060)
Дополнительная информация
Кол-во на ДЗ-98В
1
Пружина (067.51.00.241)
Дополнительная информация
Кол-во на ДЗ-98В
2
Шайба (067.14.11.031)
Дополнительная информация
Кол-во на ДЗ-98В
2
Кольцо (ДЗ-140А.50.00.003)
Дополнительная информация
Кол-во на ДЗ-98В
12
Болт (ДЗ-140А. 50.10.079)
Дополнительная информация
Кол-во на ДЗ-98В
2
Шайба (8.65Г.069 6402)
Дополнительная информация
Кол-во на ДЗ-98В
3
Ручка (ДЗ-140А.50.10.080-01)
Дополнительная информация
Кол-во на ДЗ-98В
1
Ось (ДЗ-140А.50.10.039)
Дополнительная информация
Кол-во на ДЗ-98В
4
Стержень (ДЗ-140А.50.10.051)
Дополнительная информация
Кол-во на ДЗ-98В
1
Вилка (ДЗ-140А.50.10.074)
Дополнительная информация
Кол-во на ДЗ-98В
6
