Вы можете войти на сайт, если вы зарегистрированы на одном из этих сервисов
Простой поиск
                    
                        
                
            Введите полностью или частично: Каталожный №, Артикул
                            или Наименование товара.
                        
                    Расширенный поиск
                    
                        
                
            Введите раздельно Каталожный № или
                            Артикул и Наименование товара в разных полях.
                        
                        Это позволит получить более точный результат, сузив итоговый список
                    Поздравляем! Вы успешно зарегистрировались на сайте
            www.opex.ru и стали членом команды «ОРЕХ»
        
        Теперь Вам доступны все преимущества и специальные
            возможности
        
        На указанный Вами e-mail
                отправлен запрос на подтверждение регистрации и доступы для входа на сайт.
        
        
    Балашиха магазин запчастей
                            
                            БАЛАШИХА СТО
                                        
                                            +7 (495) 025-42-22
                                            +7 (915) 091-80-94
                                        
                                    ЧЁРНАЯ ГРЯЗЬ СТО
                                        
                                            +7 (495) 025-42-22
                                            +7 (916) 701-14-35
                                        
                                    Одинцово
                                        
                                            +7 (499) 678-21-54
                                            +7 (906) 761-67-17
                                        
                                    Чёрная Грязь
                                        
                                            +7 (499) 678-21-59
                                            +7 (499) 678-33-61
                                        
                                    Дмитровский
                                        
                                            +7 (495) 744-70-47
                                            +7 (495) 484-41-27
                                        
                                    Уважаемые клиенты, цены на сайте действуют исключительно при заказе в интернет-магазине!
Уважаемыемы клиенты и партнеры! Поздравляем вас с Днём Народного Единства! Сообщаем, что в связи с праздником АО «ОРЕХ» с 2 по 4 ноября не работает!
 
 САМОВЫВОЗ. При самовывозе заказа просим за 30 минут до приезда предупредить вашего персонального менеджера. Юр. лицам для получения заказа необходимо обращаться к менеджерам торгового зала.
	  Обращаем Ваше внимание, что обновление цен на товары в наличии происходит каждый день.
	 Срок действия счёта на оплату – три дня. Время нахождения товара под счёт в резерве – три дня. Цены на товары категории «под заказ» уточняйте у менеджеров.
 
 
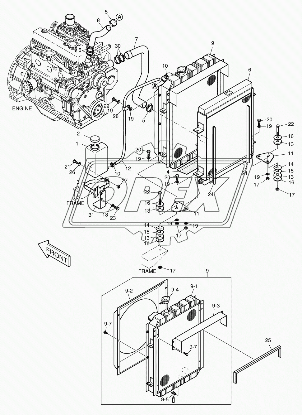
Автокаталог — 2170 Установка радиатора Мини-погрузчик 450 Plus - 450 Plus (66)
№
            Номер детали
            Наименование детали
            Каталог
         
                                 
                            STRIP;BULK (K1019091)
Дополнительная информация
Кол-во на 450 Plus
                                    72
                                    Модель
                                    Группа
                                    Двигатель
                                    Подгруппа
                                    1019
                                    Порядковый номер детали
                                    091
                                     
                                 
                            PLATE;RESERVOIR MOUNT (K1019096)
Дополнительная информация
Кол-во на 450 Plus
                                    1
                                    Модель
                                    Группа
                                    Двигатель
                                    Подгруппа
                                    1019
                                    Порядковый номер детали
                                    096
                                     
                                 
                            TANK;RESERVE (K1019097)
Дополнительная информация
Кол-во на 450 Plus
                                    1
                                    Модель
                                    Группа
                                    Двигатель
                                    Подгруппа
                                    1019
                                    Порядковый номер детали
                                    097
                                     
                                 
                            CAP;RESERVOIR (K1019638)
Дополнительная информация
Кол-во на 450 Plus
                                    1
                                    Модель
                                    Группа
                                    Двигатель
                                    Подгруппа
                                    1019
                                    Порядковый номер детали
                                    638
                                     
                                 
                            STRIP (K1019748)
Дополнительная информация
Кол-во на 450 Plus
                                    108
                                    Модель
                                    Группа
                                    Двигатель
                                    Подгруппа
                                    1019
                                    Порядковый номер детали
                                    748
                                     
                                 
                            INSULATOR (K1019916)
Дополнительная информация
Кол-во на 450 Plus
                                    1
                                    Модель
                                    Группа
                                    Двигатель
                                    Подгруппа
                                    1019
                                    Порядковый номер детали
                                    916
                                     
                                 
                            PLATE (K1020486)
Дополнительная информация
Кол-во на 450 Plus
                                    4
                                    Модель
                                    Группа
                                    Двигатель
                                    Подгруппа
                                    1020
                                    Порядковый номер детали
                                    486
                                     
                                 
                            BRACKET (K1020649)
Дополнительная информация
Кол-во на 450 Plus
                                    1
                                    Модель
                                    Группа
                                    Двигатель
                                    Подгруппа
                                    1020
                                    Порядковый номер детали
                                    649
                                     
                                 
                            RADIATOR & OIL COOLER (K1021505A)
Дополнительная информация
Примечание
                                    S.C: D
                                    Модель
                                    Группа
                                    Двигатель
                                    Подгруппа
                                    1021
                                    Порядковый номер детали
                                    505
                                     
                                 
                            HOSE;RAD OUTLET (K1021506)
Дополнительная информация
Кол-во на 450 Plus
                                    1
                                    Модель
                                    Группа
                                    Двигатель
                                    Подгруппа
                                    1021
                                    Порядковый номер детали
                                    506
                                     
                                 
                            HOSE;RAD INLET (K1021507)
Дополнительная информация
Кол-во на 450 Plus
                                    1
                                    Модель
                                    Группа
                                    Двигатель
                                    Подгруппа
                                    1021
                                    Порядковый номер детали
                                    507
                                     
                                 
                            HOSE;BULK (L=40CM) (K1022325)
Дополнительная информация
Кол-во на 450 Plus
                                    36
                                    Модель
                                    Группа
                                    Двигатель
                                    Подгруппа
                                    Устройство облегчения пуска "термостарт"
                                    Порядковый номер детали
                                    325
                                     
                                 
                            RUBBER (K1022326)
Дополнительная информация
Кол-во на 450 Plus
                                    8
                                    Модель
                                    Группа
                                    Двигатель
                                    Подгруппа
                                    Устройство облегчения пуска "термостарт"
                                    Порядковый номер детали
                                    326
                                     
                                 
                            SHIM (K1022327)
Дополнительная информация
Кол-во на 450 Plus
                                    4
                                    Модель
                                    Группа
                                    Двигатель
                                    Подгруппа
                                    Устройство облегчения пуска "термостарт"
                                    Порядковый номер детали
                                    327
                                     
                                 
                            SHIM (K1022328)
Дополнительная информация
Кол-во на 450 Plus
                                    4
                                    Модель
                                    Группа
                                    Двигатель
                                    Подгруппа
                                    Устройство облегчения пуска "термостарт"
                                    Порядковый номер детали
                                    328
                                     
                                 
                            COOLER;OIL (K1022418)
Дополнительная информация
Кол-во на 450 Plus
                                    1
                                    Модель
                                    Группа
                                    Двигатель
                                    Подгруппа
                                    Устройство облегчения пуска "термостарт"
                                    Порядковый номер детали
                                    418
                                     
                                 
                            RADIATOR ASS'Y (K1022430)
Дополнительная информация
Кол-во на 450 Plus
                                    1
                                    Модель
                                    Группа
                                    Двигатель
                                    Подгруппа
                                    Устройство облегчения пуска "термостарт"
                                    Порядковый номер детали
                                    430
                                     
                                 
                            CLIP (K1023052)
Дополнительная информация
Кол-во на 450 Plus
                                    1
                                    Модель
                                    Группа
                                    Двигатель
                                    Подгруппа
                                    1023
                                    Порядковый номер детали
                                    052
                                     
                                 
                            NUT;LOCK (K1023114)
Дополнительная информация
Кол-во на 450 Plus
                                    12
                                    Модель
                                    Группа
                                    Двигатель
                                    Подгруппа
                                    1023
                                    Порядковый номер детали
                                    114
                                     
                                 
                            WASHER (K1023141)
Дополнительная информация
Кол-во на 450 Plus
                                    8
                                    Модель
                                    Группа
                                    Двигатель
                                    Подгруппа
                                    1023
                                    Порядковый номер детали
                                    141
                                     
                                 
                            WASHER;HARDENED (K1023146)
Дополнительная информация
Кол-во на 450 Plus
                                    2
                                    Модель
                                    Группа
                                    Двигатель
                                    Подгруппа
                                    1023
                                    Порядковый номер детали
                                    146
                                     
                                 
                            WASHER;HARDENED (K1023147)
Дополнительная информация
Кол-во на 450 Plus
                                    18
                                    Модель
                                    Группа
                                    Двигатель
                                    Подгруппа
                                    1023
                                    Порядковый номер детали
                                    147
                                     
                                 
                            WASHER;HARDENED (K1023148)
Дополнительная информация
Кол-во на 450 Plus
                                    1
                                    Модель
                                    Группа
                                    Двигатель
                                    Подгруппа
                                    1023
                                    Порядковый номер детали
                                    148
                                     
                                 
                            RADIATOR (K9003625)
Дополнительная информация
Кол-во на 450 Plus
                                    1
                                    Модель
                                    Подгруппа
                                    9003
                                    Порядковый номер детали
                                    625
                                     
                                 
                            SHROUD (K9003626)
Дополнительная информация
Кол-во на 450 Plus
                                    1
                                    Модель
                                    Подгруппа
                                    9003
                                    Порядковый номер детали
                                    626
                                     
                                 
                            COVER (K9003627)
Дополнительная информация
Кол-во на 450 Plus
                                    1
                                    Модель
                                    Подгруппа
                                    9003
                                    Порядковый номер детали
                                    627
                                     
                                 
                            CAP (K9003628)
Дополнительная информация
Кол-во на 450 Plus
                                    1
                                    Модель
                                    Подгруппа
                                    9003
                                    Порядковый номер детали
                                    628
                                     
                                 
                            PLUG;COCK (K9003629)
Дополнительная информация
Кол-во на 450 Plus
                                    1
                                    Модель
                                    Подгруппа
                                    9003
                                    Порядковый номер детали
                                    629
                                     
                                 
                            BOLT (S0505263)
Дополнительная информация
Кол-во на 450 Plus
                                    1
                                    Модель
                                    Подгруппа
                                    0505
                                    Порядковый номер детали
                                    263
                                     
                                 
                            BOLT (S0508463)
Дополнительная информация
Кол-во на 450 Plus
                                    2
                                    Модель
                                    Подгруппа
                                    0508
                                    Порядковый номер детали
                                    463
                                     
                                 
                            BOLT M8X1.25X20 (S0508852)
Дополнительная информация
Кол-во на 450 Plus
                                    16
                                    Модель
                                    Подгруппа
                                    0508
                                    Порядковый номер детали
                                    852
                                     
                                 
                            BOLT;HEX. (S0511863)
Дополнительная информация
Кол-во на 450 Plus
                                    1
                                    Модель
                                    Подгруппа
                                    0511
                                    Порядковый номер детали
                                    863
                                     
                                 
                            BOLT (S0512163)
Дополнительная информация
Кол-во на 450 Plus
                                    8
                                    Модель
                                    Подгруппа
                                    0512
                                    Порядковый номер детали
                                    163
                                     
                                 
                            BOLT (S0512663)
Дополнительная информация
Кол-во на 450 Plus
                                    4
                                    Модель
                                    Подгруппа
                                    0512
                                    Порядковый номер детали
                                    663
                                     
                                 
                            NUT M6X1.0 (S4012333)
Дополнительная информация
Кол-во на 450 Plus
                                    1
                                    Модель
                                    Подгруппа
                                    4012
                                    Порядковый номер детали
                                    333
                                     
                                 
                            CLAMP;HOSE (S8450006)
Дополнительная информация
Кол-во на 450 Plus
                                    2
                                    Модель
                                    Группа
                                    Оперение
                                    Подгруппа
                                    8450
                                    Порядковый номер детали
                                    006
                                     
                                 
                            CLAMP;HOSE (S8450035)
Дополнительная информация
Кол-во на 450 Plus
                                    4
                                    Модель
                                    Группа
                                    Оперение
                                    Подгруппа
                                    8450
                                    Порядковый номер детали
                                    035
                                     
                                 
                            CLAMP;HOSE (S8450044)
Дополнительная информация
Кол-во на 450 Plus
                                    2
                                    Модель
                                    Группа
                                    Оперение
                                    Подгруппа
                                    8450
                                    Порядковый номер детали
                                    044
                                     
    