Вы можете войти на сайт, если вы зарегистрированы на одном из этих сервисов
Простой поиск
                    
                        
                
            Введите полностью или частично: Каталожный №, Артикул
                            или Наименование товара.
                        
                    Расширенный поиск
                    
                        
                
            Введите раздельно Каталожный № или
                            Артикул и Наименование товара в разных полях.
                        
                        Это позволит получить более точный результат, сузив итоговый список
                    Поздравляем! Вы успешно зарегистрировались на сайте
            www.opex.ru и стали членом команды «ОРЕХ»
        
        Теперь Вам доступны все преимущества и специальные
            возможности
        
        На указанный Вами e-mail
                отправлен запрос на подтверждение регистрации и доступы для входа на сайт.
        
        
    Балашиха магазин запчастей
                            
                            БАЛАШИХА СТО
                                        
                                            +7 (495) 025-42-22
                                            +7 (915) 091-80-94
                                        
                                    ЧЁРНАЯ ГРЯЗЬ СТО
                                        
                                            +7 (495) 025-42-22
                                            +7 (916) 701-14-35
                                        
                                    Одинцово
                                        
                                            +7 (499) 678-21-54
                                            +7 (906) 761-67-17
                                        
                                    Чёрная Грязь
                                        
                                            +7 (499) 678-21-59
                                            +7 (499) 678-33-61
                                        
                                    Дмитровский
                                        
                                            +7 (495) 744-70-47
                                            +7 (495) 484-41-27
                                        
                                    Уважаемые клиенты, цены на сайте действуют исключительно при заказе в интернет-магазине!
Уважаемыемы клиенты и партнеры! Поздравляем вас с Днём Народного Единства! Сообщаем, что в связи с праздником АО «ОРЕХ» с 2 по 4 ноября не работает!
 
 САМОВЫВОЗ. При самовывозе заказа просим за 30 минут до приезда предупредить вашего персонального менеджера. Юр. лицам для получения заказа необходимо обращаться к менеджерам торгового зала.
	  Обращаем Ваше внимание, что обновление цен на товары в наличии происходит каждый день.
	 Срок действия счёта на оплату – три дня. Время нахождения товара под счёт в резерве – три дня. Цены на товары категории «под заказ» уточняйте у менеджеров.
 
 
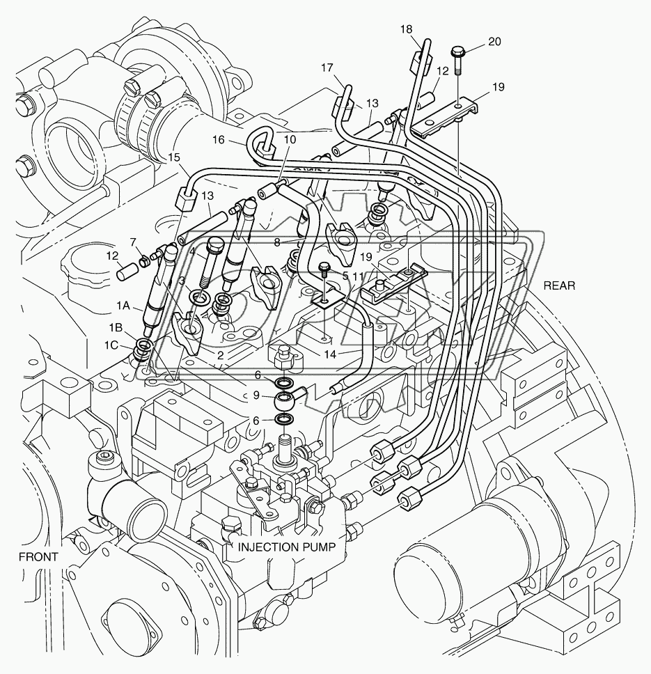
Автокаталог — 011 Топливные трубопроводы Мини-погрузчик 470 Plus - 470 Plus (45)
№
            Номер детали
            Наименование детали
            Каталог
         
                                 
                            INJECTOR (K1019577)
Дополнительная информация
Кол-во на 470 Plus
                                    4
                                    Модель
                                    Группа
                                    Двигатель
                                    Подгруппа
                                    1019
                                    Порядковый номер детали
                                    577
                                     
                                 
                            GASKET;INJECTOR (K1019578)
Дополнительная информация
Кол-во на 470 Plus
                                    4
                                    Модель
                                    Группа
                                    Двигатель
                                    Подгруппа
                                    1019
                                    Порядковый номер детали
                                    578
                                     
                                 
                            SEAL;DUST (K1019579)
Дополнительная информация
Кол-во на 470 Plus
                                    4
                                    Модель
                                    Группа
                                    Двигатель
                                    Подгруппа
                                    1019
                                    Порядковый номер детали
                                    579
                                     
                                 
                            CLAMP;RETAINING (K1019580)
Дополнительная информация
Кол-во на 470 Plus
                                    4
                                    Модель
                                    Группа
                                    Двигатель
                                    Подгруппа
                                    1019
                                    Порядковый номер детали
                                    580
                                     
                                 
                            WASHER;SEALING (K1019581)
Дополнительная информация
Кол-во на 470 Plus
                                    4
                                    Модель
                                    Группа
                                    Двигатель
                                    Подгруппа
                                    1019
                                    Порядковый номер детали
                                    581
                                     
                                 
                            BOLT (K1019582)
Дополнительная информация
Кол-во на 470 Plus
                                    4
                                    Модель
                                    Группа
                                    Двигатель
                                    Подгруппа
                                    1019
                                    Порядковый номер детали
                                    582
                                     
                                 
                            BOLT (K1019583)
Дополнительная информация
Кол-во на 470 Plus
                                    1
                                    Модель
                                    Группа
                                    Двигатель
                                    Подгруппа
                                    1019
                                    Порядковый номер детали
                                    583
                                     
                                 
                            GASKET;TURBOCHARGER (K1019584)
Дополнительная информация
Кол-во на 470 Plus
                                    2
                                    Модель
                                    Группа
                                    Двигатель
                                    Подгруппа
                                    1019
                                    Порядковый номер детали
                                    584
                                     
                                 
                            CLIP (K1019585)
Дополнительная информация
Кол-во на 470 Plus
                                    14
                                    Модель
                                    Группа
                                    Двигатель
                                    Подгруппа
                                    1019
                                    Порядковый номер детали
                                    585
                                     
                                 
                            HOSE (K1019586)
Дополнительная информация
Кол-во на 470 Plus
                                    2
                                    Модель
                                    Группа
                                    Двигатель
                                    Подгруппа
                                    1019
                                    Порядковый номер детали
                                    586
                                     
                                 
                            JOINT (K1019587)
Дополнительная информация
Кол-во на 470 Plus
                                    1
                                    Модель
                                    Группа
                                    Двигатель
                                    Подгруппа
                                    1019
                                    Порядковый номер детали
                                    587
                                     
                                 
                            CONNECTOR (K1019588)
Дополнительная информация
Кол-во на 470 Plus
                                    1
                                    Модель
                                    Группа
                                    Двигатель
                                    Подгруппа
                                    1019
                                    Порядковый номер детали
                                    588
                                     
                                 
                            CONNECTOR (K1019589)
Дополнительная информация
Кол-во на 470 Plus
                                    1
                                    Модель
                                    Группа
                                    Двигатель
                                    Подгруппа
                                    1019
                                    Порядковый номер детали
                                    589
                                     
                                 
                            CAP;TUBE (K1019590)
Дополнительная информация
Кол-во на 470 Plus
                                    2
                                    Модель
                                    Группа
                                    Двигатель
                                    Подгруппа
                                    1019
                                    Порядковый номер детали
                                    590
                                     
                                 
                            TUBE;FUEL DRAIN (K1019591)
Дополнительная информация
Кол-во на 470 Plus
                                    2
                                    Модель
                                    Группа
                                    Двигатель
                                    Подгруппа
                                    1019
                                    Порядковый номер детали
                                    591
                                     
                                 
                            HOSE (K1019592)
Дополнительная информация
Кол-во на 470 Plus
                                    2
                                    Модель
                                    Группа
                                    Двигатель
                                    Подгруппа
                                    1019
                                    Порядковый номер детали
                                    592
                                     
                                 
                            TUBE;INJECTOR FUEL (K1019593)
Дополнительная информация
Кол-во на 470 Plus
                                    1
                                    Модель
                                    Группа
                                    Двигатель
                                    Подгруппа
                                    1019
                                    Порядковый номер детали
                                    593
                                     
                                 
                            TUBE;INJECTOR FUEL (K1019594)
Дополнительная информация
Кол-во на 470 Plus
                                    1
                                    Модель
                                    Группа
                                    Двигатель
                                    Подгруппа
                                    1019
                                    Порядковый номер детали
                                    594
                                     
                                 
                            TUBE;INJECTOR FUEL (K1019595)
Дополнительная информация
Кол-во на 470 Plus
                                    1
                                    Модель
                                    Группа
                                    Двигатель
                                    Подгруппа
                                    1019
                                    Порядковый номер детали
                                    595
                                     
                                 
                            TUBE;INJECTOR FUEL (K1019596)
Дополнительная информация
Кол-во на 470 Plus
                                    1
                                    Модель
                                    Группа
                                    Двигатель
                                    Подгруппа
                                    1019
                                    Порядковый номер детали
                                    596
                                     
                                 
                            CLAMP;TUBE (K1019597)
Дополнительная информация
Кол-во на 470 Plus
                                    1
                                    Модель
                                    Группа
                                    Двигатель
                                    Подгруппа
                                    1019
                                    Порядковый номер детали
                                    597
                                     
                                 
                            BOLT (K1019598)
Дополнительная информация
Кол-во на 470 Plus
                                    2
                                    Модель
                                    Группа
                                    Двигатель
                                    Подгруппа
                                    1019
                                    Порядковый номер детали
                                    598
                                     
    