Вы можете войти на сайт, если вы зарегистрированы на одном из этих сервисов
Простой поиск
Введите полностью или частично: Каталожный №, Артикул
или Наименование товара.
Расширенный поиск
Введите раздельно Каталожный № или
Артикул и Наименование товара в разных полях.
Это позволит получить более точный результат, сузив итоговый список
Поздравляем! Вы успешно зарегистрировались на сайте
www.opex.ru и стали членом команды «ОРЕХ»
Теперь Вам доступны все преимущества и специальные
возможности
На указанный Вами e-mail
отправлен запрос на подтверждение регистрации и доступы для входа на сайт.
Балашиха магазин запчастей
БАЛАШИХА СТО
+7 (495) 025-42-22
+7 (915) 091-80-94
ЧЁРНАЯ ГРЯЗЬ СТО
+7 (495) 025-42-22
+7 (916) 701-14-35
Одинцово
+7 (499) 678-21-54
+7 (906) 761-67-17
Чёрная Грязь
+7 (499) 678-21-59
+7 (499) 678-33-61
Дмитровский
+7 (495) 744-70-47
+7 (495) 484-41-27
Уважаемые клиенты, цены на сайте действуют исключительно при заказе в интернет-магазине!
Уважаемыемы клиенты и партнеры! Поздравляем вас с Днём Народного Единства! Сообщаем, что в связи с праздником АО «ОРЕХ» с 2 по 4 ноября не работает!
САМОВЫВОЗ. При самовывозе заказа просим за 30 минут до приезда предупредить вашего персонального менеджера. Юр. лицам для получения заказа необходимо обращаться к менеджерам торгового зала.
Обращаем Ваше внимание, что обновление цен на товары в наличии происходит каждый день.
Срок действия счёта на оплату – три дня. Время нахождения товара под счёт в резерве – три дня. Цены на товары категории «под заказ» уточняйте у менеджеров.
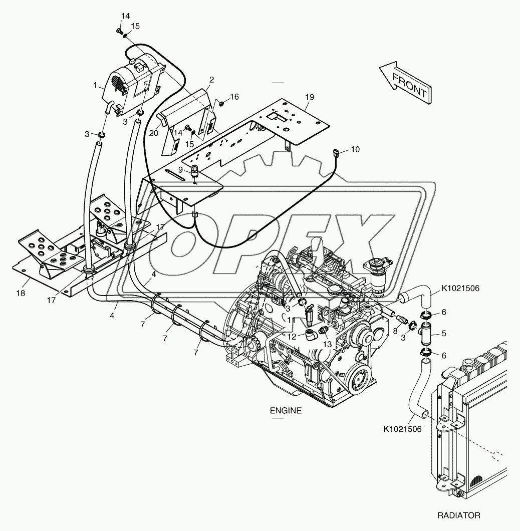
Автокаталог — 6280 Трубопроводы отопителя Мини-погрузчик 470 Plus - 470 Plus (30)
№
Номер детали
Наименование детали
Каталог
WASHER;HARDENED (DS0401175)
Дополнительная информация
Кол-во на 470 Plus
6
Модель
D
Подгруппа
0401
Порядковый номер детали
175
ADAPTER (DS2258009)
Дополнительная информация
Кол-во на 470 Plus
1
Примечание
S/N: 5001~5149
Модель
D
Группа
Валы карданные
Подгруппа
2258
Порядковый номер детали
009
ADAPTER (DS2258026)
Дополнительная информация
Кол-во на 470 Plus
1
Примечание
S/N: 5150~
Модель
D
Группа
Валы карданные
Подгруппа
2258
Порядковый номер детали
026
SWITCH (K1019697)
Дополнительная информация
Кол-во на 470 Plus
1
Модель
Группа
Двигатель
Подгруппа
1019
Порядковый номер детали
697
STRIP;BULK (K1019747)
Дополнительная информация
Кол-во на 470 Plus
41
Модель
Группа
Двигатель
Подгруппа
1019
Порядковый номер детали
747
HEATER (K1020962)
Дополнительная информация
Кол-во на 470 Plus
1
Модель
Группа
Двигатель
Подгруппа
1020
Порядковый номер детали
962
HARNESS;HEATER (K1021018)
Дополнительная информация
Кол-во на 470 Plus
1
Модель
Группа
Двигатель
Подгруппа
1021
Порядковый номер детали
018
BRACKET (K1021026)
Дополнительная информация
Кол-во на 470 Plus
1
Модель
Группа
Двигатель
Подгруппа
1021
Порядковый номер детали
026
PLATE;UPPER (K1021629)
Дополнительная информация
Кол-во на 470 Plus
1
Модель
Группа
Двигатель
Подгруппа
1021
Порядковый номер детали
629
CLIP;BAND (K1022971)
Дополнительная информация
Кол-во на 470 Plus
3
Модель
Группа
Двигатель
Подгруппа
Устройство облегчения пуска "термостарт"
Порядковый номер детали
971
VALVE (K1023100)
Дополнительная информация
Кол-во на 470 Plus
1
Модель
Группа
Двигатель
Подгруппа
1023
Порядковый номер детали
100
HOSE;BULK (K1023101)
Дополнительная информация
Кол-во на 470 Plus
480
Модель
Группа
Двигатель
Подгруппа
1023
Порядковый номер детали
101
CAB HEATER (K1023351A)
Дополнительная информация
Примечание
S.C: D
Модель
Группа
Двигатель
Подгруппа
1023
Порядковый номер детали
351
ADAPTER (K1023484)
Дополнительная информация
Кол-во на 470 Plus
1
Модель
Группа
Двигатель
Подгруппа
1023
Порядковый номер детали
484
ELBOW (K1023486)
Дополнительная информация
Кол-во на 470 Plus
1
Модель
Группа
Двигатель
Подгруппа
1023
Порядковый номер детали
486
PEDAL ASS'Y (K1023487)
Дополнительная информация
Кол-во на 470 Plus
1
Модель
Группа
Двигатель
Подгруппа
1023
Порядковый номер детали
487
TUBE (K1023488)
Дополнительная информация
Кол-во на 470 Plus
1
Модель
Группа
Двигатель
Подгруппа
1023
Порядковый номер детали
488
BOLT (S0508663)
Дополнительная информация
Кол-во на 470 Plus
6
Модель
Подгруппа
0508
Порядковый номер детали
663
NUT (S4016533)
Дополнительная информация
Кол-во на 470 Plus
4
Модель
Подгруппа
4016
Порядковый номер детали
533
CLAMP;HOSE (S8450016)
Дополнительная информация
Кол-во на 470 Plus
4
Модель
Группа
Оперение
Подгруппа
8450
Порядковый номер детали
016
CLAMP;HOSE (S8450035)
Дополнительная информация
Кол-во на 470 Plus
2
Модель
Группа
Оперение
Подгруппа
8450
Порядковый номер детали
035
GROMMET (S994012H)
Дополнительная информация
Кол-во на 470 Plus
2
Покрытие
без покрытия
