Вы можете войти на сайт, если вы зарегистрированы на одном из этих сервисов
Простой поиск
Введите полностью или частично: Каталожный №, Артикул
или Наименование товара.
Расширенный поиск
Введите раздельно Каталожный № или
Артикул и Наименование товара в разных полях.
Это позволит получить более точный результат, сузив итоговый список
Поздравляем! Вы успешно зарегистрировались на сайте
www.opex.ru и стали членом команды «ОРЕХ»
Теперь Вам доступны все преимущества и специальные
возможности
На указанный Вами e-mail
отправлен запрос на подтверждение регистрации и доступы для входа на сайт.
Балашиха магазин запчастей
БАЛАШИХА СТО
+7 (495) 025-42-22
+7 (915) 091-80-94
ЧЁРНАЯ ГРЯЗЬ СТО
+7 (495) 025-42-22
+7 (916) 701-14-35
Одинцово
+7 (499) 678-21-54
+7 (906) 761-67-17
Чёрная Грязь
+7 (499) 678-21-59
+7 (499) 678-33-61
Дмитровский
+7 (495) 744-70-47
+7 (495) 484-41-27
Уважаемые клиенты, цены на сайте действуют исключительно при заказе в интернет-магазине!
Уважаемыемы клиенты и партнеры! Поздравляем вас с Днём Народного Единства! Сообщаем, что в связи с праздником АО «ОРЕХ» с 2 по 4 ноября не работает!
САМОВЫВОЗ. При самовывозе заказа просим за 30 минут до приезда предупредить вашего персонального менеджера. Юр. лицам для получения заказа необходимо обращаться к менеджерам торгового зала.
Обращаем Ваше внимание, что обновление цен на товары в наличии происходит каждый день.
Срок действия счёта на оплату – три дня. Время нахождения товара под счёт в резерве – три дня. Цены на товары категории «под заказ» уточняйте у менеджеров.
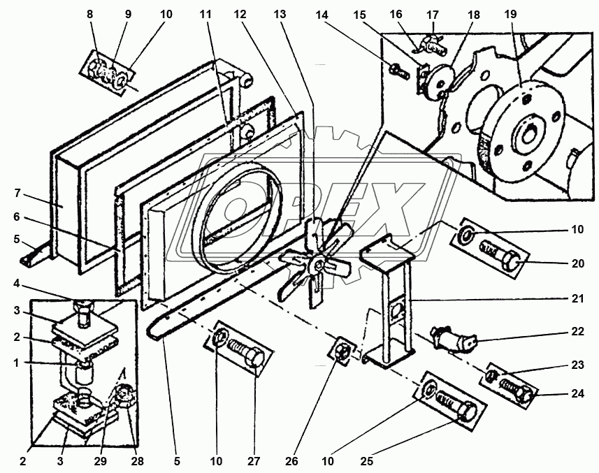
Автокаталог — ЭО-5225.11.25.000 Установка маслоохладителя ЭО-5225 - ЭО-5225 (139)
№
Номер детали
Наименование детали
Каталог
Трубка (ЭО-6122А.31.02.004)
Дополнительная информация
Количество
4
Прокладка (ЭО-6122А.31.02.002)
Дополнительная информация
Количество
8
Прокладка (ЭО-6122А.31.02.003)
Дополнительная информация
Количество
8
Болт (7798.12.60)
Дополнительная информация
Количество
4
Уголок (ЭО-6124.09.02.002)
Дополнительная информация
Количество
2
Прокладка (ЭО-5122.11.25.001)
Дополнительная информация
Количество
2
Маслоохладитель (ЭО-5225.11.25.200)
Дополнительная информация
Количество
1
Гайка (5915.10)
Дополнительная информация
Количество
40
Шайба (6402.10)
Дополнительная информация
Количество
40
Шайба (11371.10)
Дополнительная информация
Количество
80
Прокладка (ЭО-5122.11.25.009)
Дополнительная информация
Количество
2
Диффузор (ЭО-5124.11.25.003)
Дополнительная информация
Количество
1
Колесо рабочее (ЭО-5124А.11.25.430)
Дополнительная информация
Количество
1
Болт (7798.6.16)
Дополнительная информация
Количество
2
Шайба (ЭО-5225.11.25.003)
Дополнительная информация
Количество
1
Проволока (3382.1.6)
Дополнительная информация
Количество
1
Болт (7798.10.20)
Дополнительная информация
Количество
4
Шайба (ЭО-5225.11.25.002)
Дополнительная информация
Количество
1
Ступица (ЭО-5225.11.25.001)
Дополнительная информация
Количество
1
Болт (7798.10.35)
Дополнительная информация
Количество
10
Кронштейн (ЭО-5225.11.25.100)
Дополнительная информация
Количество
1
Гидромотор (210.12.11.001)
Дополнительная информация
Количество
1
Шайба (6402.8)
Дополнительная информация
Количество
4
Болт (7798.8.30)
Дополнительная информация
Количество
4
Болт (7798.10.40)
Дополнительная информация
Количество
2
Гайка (5915.8)
Дополнительная информация
Количество
4
Болт (7798.10.30)
Дополнительная информация
Количество
28
Гайка (5915.12)
Дополнительная информация
Количество
4
Шайба (6402…2)
Дополнительная информация
Количество
4
