Вы можете войти на сайт, если вы зарегистрированы на одном из этих сервисов
Простой поиск
                    
                        
                
            Введите полностью или частично: Каталожный №, Артикул
                            или Наименование товара.
                        
                    Расширенный поиск
                    
                        
                
            Введите раздельно Каталожный № или
                            Артикул и Наименование товара в разных полях.
                        
                        Это позволит получить более точный результат, сузив итоговый список
                    Поздравляем! Вы успешно зарегистрировались на сайте
            www.opex.ru и стали членом команды «ОРЕХ»
        
        Теперь Вам доступны все преимущества и специальные
            возможности
        
        На указанный Вами e-mail
                отправлен запрос на подтверждение регистрации и доступы для входа на сайт.
        
        
    Балашиха магазин запчастей
                            
                            БАЛАШИХА СТО
                                        
                                            +7 (495) 025-42-22
                                            +7 (915) 091-80-94
                                        
                                    ЧЁРНАЯ ГРЯЗЬ СТО
                                        
                                            +7 (495) 025-42-22
                                            +7 (916) 701-14-35
                                        
                                    Одинцово
                                        
                                            +7 (499) 678-21-54
                                            +7 (906) 761-67-17
                                        
                                    Чёрная Грязь
                                        
                                            +7 (499) 678-21-59
                                            +7 (499) 678-33-61
                                        
                                    Дмитровский
                                        
                                            +7 (495) 744-70-47
                                            +7 (495) 484-41-27
                                        
                                    Уважаемые клиенты, цены на сайте действуют исключительно при заказе в интернет-магазине!
Уважаемыемы клиенты и партнеры! Поздравляем вас с Днём Народного Единства! Сообщаем, что в связи с праздником АО «ОРЕХ» с 2 по 4 ноября не работает!
 
 САМОВЫВОЗ. При самовывозе заказа просим за 30 минут до приезда предупредить вашего персонального менеджера. Юр. лицам для получения заказа необходимо обращаться к менеджерам торгового зала.
	  Обращаем Ваше внимание, что обновление цен на товары в наличии происходит каждый день.
	 Срок действия счёта на оплату – три дня. Время нахождения товара под счёт в резерве – три дня. Цены на товары категории «под заказ» уточняйте у менеджеров.
 
 
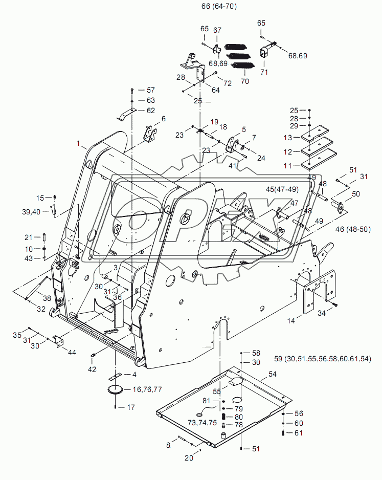
Автокаталог — Рама комплектная LOCUST L-903 - L-903 (25)
№
            Номер детали
            Наименование детали
            Каталог
         
                                 
                            РАМА (12020001)
Дополнительная информация
Количество
                                    1
                                    Крепежная деталь
                                    да
                                    Материал
                                    сталь 40 (сталь с пределом прочности на разрыв 333-490 (34-50) МПа (кг/мм2)
                                    Покрытие
                                    цинкование
                                     
                                 
                            ДЕРЖАТЕЛЬ (11020003)
Дополнительная информация
Количество
                                    2
                                    Крепежная деталь
                                    да
                                    Материал
                                    сталь 40 (сталь с пределом прочности на разрыв 333-490 (34-50) МПа (кг/мм2)
                                    Покрытие
                                    фосфатирование
                                     
                                 
                            КОНСОЛЬ (00020021)
Дополнительная информация
Количество
                                    2
                                     
                                 
                            ЧЕЛЮСТЬ ПРАВАЯ (00020003)
Дополнительная информация
Количество
                                    1
                                     
                                 
                            ЧЕЛЮСТЬ ЛЕВАЯ (00020002)
Дополнительная информация
Количество
                                    1
                                     
                                 
                            СТОПОР (00020015)
Дополнительная информация
Количество
                                    2
                                     
                                 
                            ЦАПФА (07020007)
Дополнительная информация
Количество
                                    2
                                     
                                 
                            ПРОКЛАДКА (11020010)
Дополнительная информация
Количество
                                    2
                                    Крепежная деталь
                                    да
                                    Материал
                                    сталь 50 (сталь с пределом прочности на разрыв 490-784 (50-80) МПа (кг/мм2)
                                    Покрытие
                                    без покрытия
                                     
                                 
                            КОНТРГРУЗ (11020011)
Дополнительная информация
Количество
                                    2
                                    Крепежная деталь
                                    да
                                    Материал
                                    сталь 50 (сталь с пределом прочности на разрыв 490-784 (50-80) МПа (кг/мм2)
                                    Покрытие
                                    цинкование
                                     
                                 
                            КОНТРГРУЗ (11020012)
Дополнительная информация
Количество
                                    2
                                    Крепежная деталь
                                    да
                                    Материал
                                    сталь 50 (сталь с пределом прочности на разрыв 490-784 (50-80) МПа (кг/мм2)
                                    Покрытие
                                    хромирование
                                     
                                 
                            КОНТРГРУЗ (11020013)
Дополнительная информация
Количество
                                    2
                                    Крепежная деталь
                                    да
                                    Материал
                                    сталь 50 (сталь с пределом прочности на разрыв 490-784 (50-80) МПа (кг/мм2)
                                    Покрытие
                                    фосфатирование
                                     
                                 
                            КОНТРГРУЗ (11020014)
Дополнительная информация
Количество
                                    2
                                    Крепежная деталь
                                    да
                                    Материал
                                    сталь 50 (сталь с пределом прочности на разрыв 490-784 (50-80) МПа (кг/мм2)
                                    Покрытие
                                    лужение
                                     
                                 
                            СТОПОР (11020015)
Дополнительная информация
Количество
                                    1
                                    Крепежная деталь
                                    да
                                    Материал
                                    сталь 50 (сталь с пределом прочности на разрыв 490-784 (50-80) МПа (кг/мм2)
                                    Покрытие
                                    блестящее никелирование
                                     
                                 
                            ПРОБКА (00020022)
Дополнительная информация
Количество
                                    2
                                     
                                 
                            БОЛТ (00063045)
Дополнительная информация
Количество
                                    2
                                    Примечание
                                    M8X25
                                     
                                 
                            ЦАПФА (00020014)
Дополнительная информация
Количество
                                    2
                                     
                                 
                            ПРУЖИНА (00020007)
Дополнительная информация
Количество
                                    2
                                     
                                 
                            ШПЛИНТ (07020012)
Дополнительная информация
Количество
                                    2
                                    Примечание
                                    2,5X28
                                     
                                 
                            ЦАПФА (07120009)
Дополнительная информация
Количество
                                    2
                                     
                                 
                            КОЛЬЦО (07020014)
Дополнительная информация
Количество
                                    4
                                    Примечание
                                    12
                                     
                                 
                            КОЛЬЦО (07020015)
Дополнительная информация
Количество
                                    2
                                    Примечание
                                    7
                                     
                                 
                            ГАЙКА (00031049)
Дополнительная информация
Количество
                                    4
                                    Примечание
                                    M12
                                     
                                 
                            ПРОКЛАДКА (00083021)
Дополнительная информация
Количество
                                    2
                                    Примечание
                                    10,5
                                     
                                 
                            ПРОКЛАДКА (00031052)
Дополнительная информация
Количество
                                    4
                                    Примечание
                                    12
                                     
                                 
                            ПРОКЛАДКА (09151019)
Дополнительная информация
Количество
                                    4
                                    Примечание
                                    13
                                     
                                 
                            ПРОКЛАДКА (00020018)
Дополнительная информация
Количество
                                    5
                                    Примечание
                                    8,4
                                     
                                 
                            ПРОКЛАДКА (00020019)
Дополнительная информация
Количество
                                    8
                                    Примечание
                                    8
                                     
                                 
                            СТОПОРНОЕ КОЛЬЦО (00020020)
Дополнительная информация
Количество
                                    4
                                    Примечание
                                    10
                                     
                                 
                            БОЛТ (11020034)
Дополнительная информация
Количество
                                    8
                                    Примечание
                                    M12X30
                                    Крепежная деталь
                                    да
                                    Материал
                                    сталь 100 (сталь с пределом прочности на разрыв 980-1176 (100-120) МПа (кг/мм2)
                                    Покрытие
                                    лужение
                                     
                                 
                            БОЛТ (01092018)
Дополнительная информация
Количество
                                    2
                                    Примечание
                                    M8X16
                                     
                                 
                            БОЛТ (11020036)
Дополнительная информация
Количество
                                    2
                                    Примечание
                                    M8X16
                                    Крепежная деталь
                                    да
                                    Материал
                                    сталь 100 (сталь с пределом прочности на разрыв 980-1176 (100-120) МПа (кг/мм2)
                                    Покрытие
                                    оксидирование
                                     
                                 
                            ОПОРА (07151022)
Дополнительная информация
Количество
                                    2
                                    Примечание
                                    PV200
                                     
                                 
                            ТРУБКА (00120041)
Дополнительная информация
Количество
                                    2
                                    Примечание
                                    8X1-1-10
                                     
                                 
                            ПРОВОД (09121024)
Дополнительная информация
Количество
                                    1
                                     
                                 
                            ЗАМОК (07020020)
Дополнительная информация
Количество
                                    1
                                     
                                 
                            УПОР (08120013)
Дополнительная информация
Количество
                                    2
                                     
                                 
                            ШПЛИНТ (07120032)
Дополнительная информация
Количество
                                    2
                                    Примечание
                                    4X22
                                     
                                 
                            КОНСОЛЬ (11020044)
Дополнительная информация
Количество
                                    1
                                    Крепежная деталь
                                    да
                                    Материал
                                    латунь
                                    Покрытие
                                    лужение
                                     
                                 
                            АРРЕТИРОВАНИЕ КАБИНЫ (07020033)
Дополнительная информация
Количество
                                    1
                                     
                                 
                            АРРЕТИРОВАНИЕ КАБИНЫ (07020034)
Дополнительная информация
Количество
                                    1
                                     
                                 
                            КОРПУС (07020035)
Дополнительная информация
Количество
                                    1
                                     
                                 
                            ЦАПФА (07020036)
Дополнительная информация
Количество
                                    2
                                     
                                 
                            РЫЧАЖОК (07020037)
Дополнительная информация
Количество
                                    2
                                     
                                 
                            КОРПУС (07020038)
Дополнительная информация
Количество
                                    1
                                     
                                 
                            БОЛТ (01050017)
Дополнительная информация
Количество
                                    5
                                    Примечание
                                    M8X18
                                     
                                 
                            ДНО (11020054)
Дополнительная информация
Количество
                                    1
                                    Крепежная деталь
                                    да
                                    Материал
                                    легкие сплавы
                                    Покрытие
                                    лужение
                                     
                                 
                            КРЫШКА (11020055)
Дополнительная информация
Количество
                                    1
                                    Крепежная деталь
                                    да
                                    Материал
                                    легкие сплавы
                                    Покрытие
                                    блестящее никелирование
                                     
                                 
                            ПРОКЛАДКА (00111038)
Дополнительная информация
Количество
                                    1
                                    Примечание
                                    17
                                     
                                 
                            БОЛТ (00101038)
Дополнительная информация
Количество
                                    2
                                    Примечание
                                    M6X16
                                     
                                 
                            ГАЙКА (10011038)
Дополнительная информация
Количество
                                    1
                                    Примечание
                                    M8
                                    Крепежная деталь
                                    да
                                    Материал
                                    сталь 100 (сталь с пределом прочности на разрыв 980-1176 (100-120) МПа (кг/мм2)
                                    Покрытие
                                     
                                 
                            ДНО (11020059)
Дополнительная информация
Количество
                                    1
                                    Крепежная деталь
                                    да
                                    Материал
                                    легкие сплавы
                                    Покрытие
                                     
                                 
                            ШАЙБА (09020041)
Дополнительная информация
Количество
                                    2
                                    Примечание
                                    16
                                     
                                 
                            БОЛТ (07020042)
Дополнительная информация
Количество
                                    2
                                    Примечание
                                    M16X40
                                     
                                 
                            ЗАПОНКА (11020062)
Дополнительная информация
Количество
                                    2
                                    Крепежная деталь
                                    да
                                    Материал
                                    медь
                                    Покрытие
                                    хромирование
                                     
                                 
                            ШАЙБА (00176005)
Дополнительная информация
Количество
                                    2
                                    Примечание
                                    6
                                     
                                 
                            КОНСОЛЬ (11020064)
Дополнительная информация
Количество
                                    1
                                    Крепежная деталь
                                    да
                                    Материал
                                    медь
                                    Покрытие
                                    лужение
                                     
                                 
                            ЦАПФА (11020065)
Дополнительная информация
Количество
                                    2
                                    Крепежная деталь
                                    да
                                    Материал
                                    медь
                                    Покрытие
                                    блестящее никелирование
                                     
                                 
                            КОНСОЛЬ (11020066)
Дополнительная информация
Количество
                                    1
                                    Крепежная деталь
                                    да
                                    Материал
                                    медь
                                    Покрытие
                                    оксидирование
                                     
                                 
                            КОРОМЫСЛО (11020067)
Дополнительная информация
Количество
                                    1
                                    Крепежная деталь
                                    да
                                    Материал
                                    медь
                                    Покрытие
                                    специальное покрытие
                                     
                                 
                            ШПЛИНТ (09121067)
Дополнительная информация
Количество
                                    2
                                    Примечание
                                    3,2X18
                                     
                                 
                            ПРОКЛАДКА (00083021)
Дополнительная информация
Количество
                                    2
                                    Примечание
                                    10,5
                                     
                                 
                            ПРУЖИНА (00151021)
Дополнительная информация
Количество
                                    3
                                     
                                 
                            ТЯГА (11020071)
Дополнительная информация
Количество
                                    1
                                    Крепежная деталь
                                    да
                                    Материал
                                    другие металлические материалы, т. е. не сталь, не латунь, не легкий сплав, не медь
                                    Покрытие
                                    цинкование
                                     
                                 
                            БОЛТ (00171005)
Дополнительная информация
Количество
                                    4
                                    Примечание
                                    M12X35
                                     
                                 
                            КОЛЬЦО (00120042)
Дополнительная информация
Количество
                                    2
                                     
                                 
                            ТРОСИК (11091036)
Дополнительная информация
Количество
                                    1
                                    Примечание
                                    L=750
                                    Крепежная деталь
                                    да
                                    Материал
                                    сталь 100 (сталь с пределом прочности на разрыв 980-1176 (100-120) МПа (кг/мм2)
                                    Покрытие
                                    оксидирование
                                     
                                 
                            ТРОСИК (11091036)
Дополнительная информация
Количество
                                    1
                                    Примечание
                                    L=630
                                    Крепежная деталь
                                    да
                                    Материал
                                    сталь 100 (сталь с пределом прочности на разрыв 980-1176 (100-120) МПа (кг/мм2)
                                    Покрытие
                                    оксидирование
                                     
                                 
                            КОЛЬЦО (00020025)
Дополнительная информация
Количество
                                    2
                                    Примечание
                                    125X3
                                     
                                 
                            УПЛОТНИТЕЛЬНОЕ КОЛЬЦО (07020019)
Дополнительная информация
Количество
                                    2
                                    Примечание
                                    8X12
                                     
                                 
                            КЛАПАН (11020078)
Дополнительная информация
Количество
                                    2
                                    Крепежная деталь
                                    да
                                    Материал
                                    другие металлические материалы, т. е. не сталь, не латунь, не легкий сплав, не медь
                                    Покрытие
                                     
                                 
                            ПРОКЛАДКА (11020079)
Дополнительная информация
Количество
                                    2
                                    Крепежная деталь
                                    да
                                    Материал
                                    другие металлические материалы, т. е. не сталь, не латунь, не легкий сплав, не медь
                                    Покрытие
                                     
                                 
                            ПРУЖИНА (11020080)
Дополнительная информация
Количество
                                    2
                                    Крепежная деталь
                                    да
                                    Материал
                                    неметаллические материалы
                                    Покрытие
                                    без покрытия
                                     
                                 
                            КОЛЬЦО (11020081)
Дополнительная информация
Количество
                                    2
                                    Примечание
                                    35
                                    Крепежная деталь
                                    да
                                    Материал
                                    неметаллические материалы
                                    Покрытие
                                    цинкование
                                     
    