Вы можете войти на сайт, если вы зарегистрированы на одном из этих сервисов
Уважаемые клиенты, цены на сайте действуют исключительно при заказе в интернет-магазине!
САМОВЫВОЗ. При самовывозе заказа просим за 30 минут до приезда предупредить вашего персонального менеджера. Юр. лицам для получения заказа необходимо обращаться к менеджерам торгового зала.
Обращаем Ваше внимание, что обновление цен на товары в наличии происходит каждый день.
Срок действия счёта на оплату – три дня. Время нахождения товара под счёт в резерве – три дня. Цены на товары категории «под заказ» уточняйте у менеджеров.
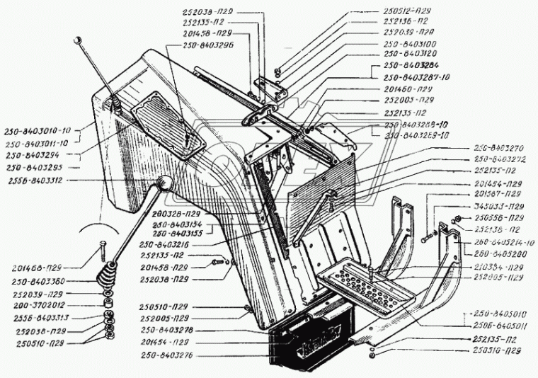
250-8403296 Скрепка КрАЗ
При заказе
позиции Скрепка 250-8403296 НМ00578769 Вы получите товар высокого качества в кратчайший срок.
Мы
бесплатно доставим Ваш заказ в один из пунктов выдачи или до транспортной компании для отправки
в любой регион России.
Мы являемся официальными партнерами крупнейших Российских, а также
ряда европейских автопроизводителей и гарантируем Вам лучшую цену.
Внешний вид товара
может отличаться от изображений, представленных на сайте.
Несовпадение внешнего вида и комплектности реального товара с фотографиями и описанием на сайте
не является показателем ненадлежащего качества товара.
Балашиха
Дзержинск
Дмитровка
Одинцово
Чёрная Грязь
Саратов
Тула
| Марка | Модель | Каталожный номер | Наименование по автокаталогу | Расположение в чертежах |
|---|
