Вы можете войти на сайт, если вы зарегистрированы на одном из этих сервисов
Простой поиск
Введите полностью или частично: Каталожный №, Артикул
или Наименование товара.
Расширенный поиск
Введите раздельно Каталожный № или
Артикул и Наименование товара в разных полях.
Это позволит получить более точный результат, сузив итоговый список
Поздравляем! Вы успешно зарегистрировались на сайте
www.opex.ru и стали членом команды «ОРЕХ»
Теперь Вам доступны все преимущества и специальные
возможности
На указанный Вами e-mail
отправлен запрос на подтверждение регистрации и доступы для входа на сайт.
Балашиха магазин запчастей
БАЛАШИХА СТО
+7 (495) 025-42-22
+7 (915) 091-80-94
ЧЁРНАЯ ГРЯЗЬ СТО
+7 (495) 025-42-22
+7 (916) 701-14-35
Одинцово
+7 (499) 678-21-54
+7 (906) 761-67-17
Чёрная Грязь
+7 (499) 678-21-59
+7 (499) 678-33-61
Дмитровский
+7 (495) 744-70-47
+7 (495) 484-41-27
Уважаемые клиенты, цены на сайте действуют исключительно при заказе в интернет-магазине!
Уважаемые клиенты, центральный филиал «Балашиха» 30.12.2025 будет работать с 8:00 до 16:30
САМОВЫВОЗ. При самовывозе заказа просим за 30 минут до приезда предупредить вашего персонального менеджера. Юр. лицам для получения заказа необходимо обращаться к менеджерам торгового зала.
Обращаем Ваше внимание, что обновление цен на товары в наличии происходит каждый день.
Срок действия счёта на оплату – три дня. Время нахождения товара под счёт в резерве – три дня. Цены на товары категории «под заказ» уточняйте у менеджеров.
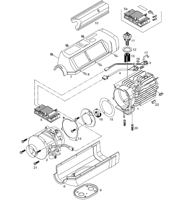
Каталог запасных частей отопителя Eberspaecher D1LC.
Модели: B1LC Compact, D1LC Compact.

| Поз. | Название | Примечание | Eberspaecher № | B1LC-12V 20 1748 |
B1LC-12V 20 1761 |
B1LC-12V 20 1766 |
D1LC-12V 25 1895 |
D1LC-24V 25 1896 25 1924 |
D1LC-12V 25 1965 25 1957 |
D1LC-24V 25 1966 25 1971 |
D1LC-12V 25 1976 25 1979 |
D1LC-24V 25 1977 25 1978 |
|
|---|---|---|---|---|---|---|---|---|---|---|---|---|---|
| 1 | Теплообменник | 20 1719 99 06 00 | ● | ● | ● | Цены и аналоги >> | |||||||
| 25 1774 99 06 00 | ● | ● | ● | ● | ● | ● | Цены и аналоги >> | ||||||
| 2 | Вентилятор | 12V | 25 1895 99 20 00 | ● | ● | ● | ● | ● | ● | Цены и аналоги >> | |||
| 24V | 25 1896 99 20 00 | ● | ● | ● | Цены и аналоги >> | ||||||||
| 3 | Датчик пламени | 25 1895 99 35 00 | ● | ● | ● | ● | ● | ● | ● | ● | ● | Цены и аналоги >> | |
| 4 | Датчик перегрева | см. таблицу ниже | Цены и аналоги >> | ||||||||||
| 5 | Блок управления | см. таблицу ниже | Цены и аналоги >> | ||||||||||
| 5a | Цены и аналоги >> | ||||||||||||
| 6 | Корпус (нижняя часть) | 25 1895 01 01 00 | ● | ● | ● | ● | ● | ● | ● | ● | ● | Цены и аналоги >> | |
| 7 | Корпус (верхняя часть) | 25 1895 01 06 00 | ● | ● | ● | ● | ● | ● | ● | ● | ● | Цены и аналоги >> | |
| 8 | Заклепка | необходимое кол-во: 6 | 131 31 051 | ● | ● | ● | ● | ● | ● | ● | ● | ● | Цены и аналоги >> |
| 9 | Прокладка | 25 1774 01 00 02 | ● | ● | ● | ● | ● | ● | ● | ● | ● | Цены и аналоги >> | |
| 10 | Крышка | 25 1895 01 02 00 | ● | ● | ● | ● | ● | ● | ● | ● | ● | Цены и аналоги >> | |
| 11 | Свеча накала | 25 1830 01 01 00 | ● | ● | ● | ● | ● | ● | Цены и аналоги >> | ||||
| 25 1831 01 01 00 | ● | ● | ● | Цены и аналоги >> | |||||||||
| 12 | Прокладка свечи | 25 1830 01 01 01 | ● | ● | ● | ● | ● | ● | ● | ● | ● | Цены и аналоги >> | |
| 13 | Сеточка свечи | 20 1719 06 04 00 | ● | ● | ● | Цены и аналоги >> | |||||||
| 25 1688 06 04 00 | ● | ● | ● | ● | ● | ● | Цены и аналоги >> | ||||||
| 14 | Прокладка вентилятора | 25 1688 01 00 06 | ● | ● | ● | ● | ● | ● | ● | ● | ● | Цены и аналоги >> | |
| 15 | Прокладка горелки | 25 1688 06 00 03 | ● | ● | ● | ● | ● | ● | ● | ● | ● | Цены и аналоги >> | |
| 16 | Фибра испарителя | 25 1688 06 00 06 | ● | ● | ● | ● | ● | ● | ● | ● | ● | Цены и аналоги >> | |
| 17 | Зажим | 25 1895 01 00 03 | ● | ● | ● | ● | ● | ● | ● | ● | ● | Цены и аналоги >> | |
| 18 | Предохранитель | необходимое кол-во: 2 | 171 42 080 | ● | ● | ● | ● | ● | ● | ● | ● | ● | Цены и аналоги >> |
| 20 | Болт M6x20 | необходимое кол-во: 4 | 106 10 022 | ● | ● | ● | ● | ● | ● | ● | ● | ● | Цены и аналоги >> |
| 21 | Болт M5x20 | необходимое кол-во: 4 | 103 10 461 | ● | ● | ● | ● | ● | ● | ● | ● | ● | Цены и аналоги >> |
| 22 | Зажим | необходимое кол-во: 7 | 25 1688 01 00 03 | ● | ● | ● | ● | ● | ● | ● | ● | ● | Цены и аналоги >> |
| Поз. | Название | Примечание | Eberspaecher № | B1LC-12V 20 1748 |
B1LC-12V 20 1761 |
B1LC-12V 20 1766 |
D1LC-12V 25 1895 |
D1LC-24V 25 1896 25 1924 |
D1LC-12V 25 1965 25 1957 |
D1LC-24V 25 1966 25 1971 |
D1LC-12V 25 1976 25 1979 |
D1LC-24V 25 1977 25 1978 |
|
Таблица замены блоков управления и датчиков температуры (перегрева)
| Модель отопителя | Установленный блок управления | Датчик перегрева для замены | Блок управления для замены |
|---|---|---|---|
| 20 1748 01 00 00 (B1LC 12V) 20 1761 01 00 00 (B1LC 12V) 20 1766 01 00 00 (B1LC 12V) |
25 1895 50 00 02 25 1895 50 00 12 25 1895 50 00 14 |
25 1895 41 00 00 | 25 1976 99 51 02 |
| 25 1976 51 00 02 | 25 1895 41 00 00 | 25 1976 51 00 02 | |
| 25 1895 01 00 00 (D1LC 12V) 25 1965 01 00 00 (D1LC 12V) 25 1957 05 00 00 (D1LC 12V) |
25 1895 50 00 01 25 1895 50 00 11 25 1895 50 00 13 |
25 1895 41 00 00 | 25 1976 99 51 01 |
| 25 1976 51 00 01 | 25 1895 41 00 00 | 25 1976 51 00 01 | |
| 25 1896 01 00 00 (D1LC 24V) 25 1924 05 00 00 (D1LC 24V) 25 1966 01 00 00 (D1LC 24V) 25 1971 05 00 00 (D1LC 24V) 25 1976 05 00 00 (D1LC 12V) 25 1977 05 00 00 (D1LC 24V) 25 1978 05 00 00 (D1LC 24V) 25 1979 05 00 00 (D1LC 12V) |
25 1896 50 00 01 25 1896 50 00 09 25 1896 50 00 10 |
25 1895 41 00 00 | 25 1977 99 51 01 |
| 25 1976 51 00 01 | 25 1895 41 00 00 | 25 1976 51 00 01 | |
| 25 1977 51 00 01 | 25 1895 41 00 00 | 25 1977 51 00 01 |

| Поз. | Название | Примечание | Eberspaecher № | B1LC-12V 20 1748 |
B1LC-12V 20 1761 |
B1LC-12V 20 1766 |
D1LC-12V 25 1895 |
D1LC-24V 25 1896 25 1924 |
D1LC-12V 25 1965 25 1957 |
D1LC-24V 25 1966 25 1971 |
D1LC-12V 25 1976 25 1979 |
D1LC-24V 25 1977 25 1978 |
|
|---|---|---|---|---|---|---|---|---|---|---|---|---|---|
| 1 | Топливный насос | 12V | 25 1830 45 00 00 | ● | ● | ● | ● | ● | ● | Цены и аналоги >> | |||
| 24V | 25 1831 45 00 00 | ● | ● | ● | Цены и аналоги >> | ||||||||
| 2 | Сетка топливного насоса | 22 4502 00 01 00 | ● | ● | ● | ● | ● | ● | ● | ● | ● | Цены и аналоги >> | |
| 3 | Наконечник шланга | 20 1621 45 00 02 | ● | ● | ● | ● | ● | ● | ● | ● | ● | Цены и аналоги >> | |
| 4 | Кронштейн | 20 1348 03 00 02 | ● | ● | ● | ● | ● | ● | ● | ● | ● | Цены и аналоги >> | |
| 5 | Хомут | 152 00 144 | ● | ● | ● | ● | ● | ● | ● | ● | ● | Цены и аналоги >> | |
| 6 | Буфер (сайлентблок) | 20 1185 00 00 01 | ● | ● | ● | ● | ● | ● | ● | ● | ● | Цены и аналоги >> | |
| 7 | Буфер (сайлентблок) | 20 1673 80 01 01 | ● | ● | ● | ● | ● | ● | ● | ● | ● | Цены и аналоги >> | |
| 8 | Тройник | 8мм-6мм-8мм | 25 1774 80 01 00 | ● | ● | ● | ● | ● | ● | ● | ● | ● | Цены и аналоги >> |
| 9 | Тройник | 10мм-6мм-10мм | 360 61 550 | ● | ● | ● | ● | ● | ● | ● | ● | ● | Цены и аналоги >> |
| 10 | Топливный шланг | 3.5x3 | 360 75 300 | ● | ● | ● | ● | ● | ● | ● | ● | ● | Цены и аналоги >> |
| 11 | Топливная трубка | 4x1.25 | 090 31 118 | ● | ● | ● | ● | ● | ● | ● | ● | ● | Цены и аналоги >> |
| 12 | Топливный шланг | 5x3 | 360 75 350 | ● | ● | ● | ● | ● | ● | ● | ● | ● | Цены и аналоги >> |
| 13 | Топливная трубка | 6x2 | 090 31 125 | ● | ● | ● | ● | ● | ● | ● | ● | ● | Цены и аналоги >> |
| 14 | Топливный шланг | 7.5x2.5 | 360 31 070 | ● | ● | ● | ● | ● | ● | ● | ● | ● | Цены и аналоги >> |
| 15 | Топливный шланг | 9x3 | 360 31 095 | ● | ● | ● | ● | ● | ● | ● | ● | ● | Цены и аналоги >> |
| 16 | Хомут Ø 9 мм | необходимое кол-во: 4 | 10 2063 00 90 98 | ● | ● | ● | ● | ● | ● | ● | ● | ● | Цены и аналоги >> |
| 17 | Хомут Ø 11 мм | необходимое кол-во: 4 | 10 2063 01 10 98 | ● | ● | ● | ● | ● | ● | ● | ● | ● | Цены и аналоги >> |
| 18 | Хомут Ø 12 мм | необходимое кол-во: 4 | 10 2063 01 20 98 | ● | ● | ● | ● | ● | ● | ● | ● | ● | Цены и аналоги >> |
| 19 | Хомут Ø 14 мм | необходимое кол-во: 4 | 10 2063 01 40 98 | ● | ● | ● | ● | ● | ● | ● | ● | ● | Цены и аналоги >> |
| 20 | Хомут | необходимое кол-во: 6 | 152 00 139 | ● | ● | ● | ● | ● | ● | ● | ● | ● | Цены и аналоги >> |
| 21 | Кабельный жгут | 25 1895 80 03 00 | ● | ● | ● | Цены и аналоги >> | |||||||
| 25 1965 80 03 00 | ● | ● | ● | Цены и аналоги >> | |||||||||
| 25 1976 80 03 00 | ● | ● | ● | Цены и аналоги >> | |||||||||
| 22 | Преобразователь тока | 12V | 25 1830 30 01 00 | ● | ● | Цены и аналоги >> | |||||||
| 24V | 25 1966 30 01 00 | ● | Цены и аналоги >> | ||||||||||
| 23 | Кабель | 25 1895 80 05 00 | ● | ● | ● | ● | ● | ● | ● | ● | ● | Цены и аналоги >> | |
| 24 | Обойма предохранителя | необходимое кол-во: 2 | 204 31 004 | ● | ● | ● | ● | ● | ● | ● | ● | ● | Цены и аналоги >> |
| 25 | Крышка предохранителя | необходимое кол-во: 2 | 204 31 005 | ● | ● | ● | ● | ● | ● | ● | ● | ● | Цены и аналоги >> |
| 26 | Предохранитель | 25A | 204 00 089 | ● | ● | ● | ● | ● | ● | ● | ● | ● | Цены и аналоги >> |
| 27 | Предохранитель | 5A | 204 00 079 | ● | ● | ● | ● | ● | ● | ● | ● | ● | Цены и аналоги >> |
| 28 | Корпус клеммы | 206 31 301 | ● | ● | ● | ● | ● | ● | ● | ● | ● | Цены и аналоги >> | |
| 29 | Корпус клеммы | 206 31 009 | ● | ● | ● | ● | ● | ● | ● | ● | ● | Цены и аналоги >> | |
| 30 | Клемма | DIN 46 340-A | 206 52 120 | ● | ● | ● | ● | ● | ● | ● | ● | ● | Цены и аналоги >> |
| 31 | Клемма | DIN 46 343-B | 206 36 201 | ● | ● | ● | ● | ● | ● | ● | ● | ● | Цены и аналоги >> |
| 32 | Клемма | DIN 46 247 | 206 73 033 | ● | ● | ● | ● | ● | ● | ● | ● | ● | Цены и аналоги >> |
| 33 | Клемма пружинная | необходимое кол-во: 3 | 206 73 058 | ● | ● | ● | ● | ● | ● | ● | ● | ● | Цены и аналоги >> |
| 34 | Наконечник | необходимое кол-во: 2 | 320 31 120 | ● | ● | ● | ● | ● | ● | ● | ● | ● | Цены и аналоги >> |
| 35 | Уплотнение | необходимое кол-во: 2 | 20 1280 09 01 03 | ● | ● | ● | ● | ● | ● | ● | ● | ● | Цены и аналоги >> |
| 36 | Стяжка кабельная | 200 мм | 25 1801 80 02 00 | ● | ● | ● | ● | ● | ● | ● | ● | ● | Цены и аналоги >> |
| Поз. | Название | Примечание | Eberspaecher № | B1LC-12V 20 1748 |
B1LC-12V 20 1761 |
B1LC-12V 20 1766 |
D1LC-12V 25 1895 |
D1LC-24V 25 1896 25 1924 |
D1LC-12V 25 1965 25 1957 |
D1LC-24V 25 1966 25 1971 |
D1LC-12V 25 1976 25 1979 |
D1LC-24V 25 1977 25 1978 |
|

| Поз. | Название | Примечание | Eberspaecher № | B1LC-12V 20 1748 |
B1LC-12V 20 1761 |
B1LC-12V 20 1766 |
D1LC-12V 25 1895 |
D1LC-24V 25 1896 25 1924 |
D1LC-12V 25 1965 25 1957 |
D1LC-24V 25 1966 25 1971 |
D1LC-12V 25 1976 25 1979 |
D1LC-24V 25 1977 25 1978 |
|
|---|---|---|---|---|---|---|---|---|---|---|---|---|---|
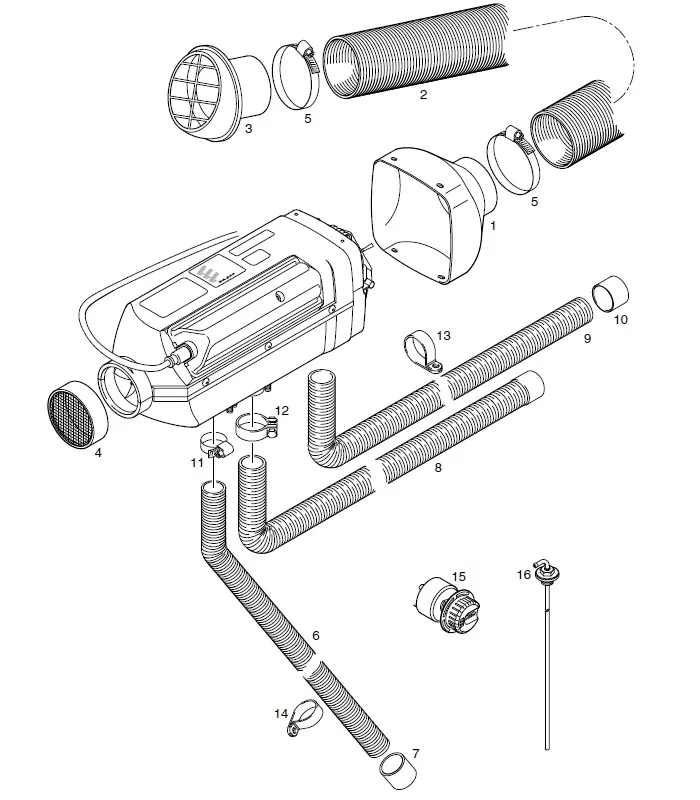
| 1 | Воздухозаборник | 25 1688 80 03 00 | ● | ● | ● | ● | ● | ● | ● | ● | ● | Цены и аналоги >> | |
| 2 | Воздушный шланг (гофра) | Ø 60 мм | 10 2114 31 00 00 | ● | ● | ● | ● | ● | ● | ● | ● | ● | Цены и аналоги >> |
| 3 | Воздушный дефлектор | 20 1577 89 06 00 | ● | ● | ● | ● | ● | ● | ● | ● | ● | Цены и аналоги >> | |
| 4 | Защитнй экран (сетка) | 25 1688 80 06 00 | ● | ● | ● | ● | ● | ● | ● | ● | ● | Цены и аналоги >> | |
| 5 | Хомут | необходимое кол-во: 2 | 10 2064 05 00 70 | ● | ● | ● | ● | ● | ● | ● | ● | ● | Цены и аналоги >> |
| 6 | Гибкий шланг | 360 00 092 | ● | ● | ● | ● | ● | ● | ● | ● | ● | Цены и аналоги >> | |
| 7 | Наконечник шланга | 25 1688 80 12 01 | ● | ● | ● | ● | ● | ● | ● | ● | ● | Цены и аналоги >> | |
| 8 | Шланг | 25 1774 80 01 00 | ● | ● | ● | ● | ● | ● | ● | ● | ● | Цены и аналоги >> | |
| 9 | Шланг | 360 61 550 | ● | ● | ● | ● | ● | ● | ● | ● | ● | Цены и аналоги >> | |
| 10 | Наконечник шланга | 25 1729 80 06 00 | ● | ● | ● | ● | ● | ● | ● | ● | ● | Цены и аналоги >> | |
| 11 | Хомут | 10 2064 01 60 25 | ● | ● | ● | ● | ● | ● | ● | ● | ● | Цены и аналоги >> | |
| 12 | Хомут | 22 1000 50 05 00 | ● | ● | ● | ● | ● | ● | ● | ● | ● | Цены и аналоги >> | |
| 13 | Зажим (хомут) | 152 10 051 | ● | ● | ● | ● | ● | ● | ● | ● | ● | Цены и аналоги >> | |
| 14 | Хомут | 152 10 048 | ● | ● | ● | ● | ● | ● | ● | ● | ● | Цены и аналоги >> | |
| 15 | Регулятор температуры | 12V | 25 1895 71 00 00 | ● | ● | ● | ● | ● | ● | Цены и аналоги >> | |||
| 24V | 25 1896 71 00 00 | ● | ● | ● | Цены и аналоги >> | ||||||||
| 16 | Топливозаборник | 25 1226 89 50 00 | ● | ● | ● | ● | Цены и аналоги >> | ||||||
| Поз. | Название | Примечание | Eberspaecher № | B1LC-12V 20 1748 |
B1LC-12V 20 1761 |
B1LC-12V 20 1766 |
D1LC-12V 25 1895 |
D1LC-24V 25 1896 25 1924 |
D1LC-12V 25 1965 25 1957 |
D1LC-24V 25 1966 25 1971 |
D1LC-12V 25 1976 25 1979 |
D1LC-24V 25 1977 25 1978 |
|