Вы можете войти на сайт, если вы зарегистрированы на одном из этих сервисов
Простой поиск
Введите полностью или частично: Каталожный №, Артикул
или Наименование товара.
Расширенный поиск
Введите раздельно Каталожный № или
Артикул и Наименование товара в разных полях.
Это позволит получить более точный результат, сузив итоговый список
Поздравляем! Вы успешно зарегистрировались на сайте
www.opex.ru и стали членом команды «ОРЕХ»
Теперь Вам доступны все преимущества и специальные
возможности
На указанный Вами e-mail
отправлен запрос на подтверждение регистрации и доступы для входа на сайт.
Балашиха магазин запчастей
БАЛАШИХА СТО
+7 (495) 025-42-22
+7 (915) 091-80-94
ЧЁРНАЯ ГРЯЗЬ СТО
+7 (495) 025-42-22
+7 (916) 701-14-35
Одинцово
+7 (499) 678-21-54
+7 (906) 761-67-17
Чёрная Грязь
+7 (499) 678-21-59
+7 (499) 678-33-61
Дмитровский
+7 (495) 744-70-47
+7 (495) 484-41-27
Уважаемые клиенты, цены на сайте действуют исключительно при заказе в интернет-магазине!
САМОВЫВОЗ. При самовывозе заказа просим за 30 минут до приезда предупредить вашего персонального менеджера. Юр. лицам для получения заказа необходимо обращаться к менеджерам торгового зала.
Обращаем Ваше внимание, что обновление цен на товары в наличии происходит каждый день.
Срок действия счёта на оплату – три дня. Время нахождения товара под счёт в резерве – три дня. Цены на товары категории «под заказ» уточняйте у менеджеров.
Каталог запасных частей отопителя Eberspaecher B3LC, D3LC
Модели: B3LC Compact, B3LP Compact, D3LC Compact, D3LP Compact

| Поз. | Название | Eberspaecher № | B3LC-12V 20 1762 20 1749 |
B3LP-12V 20 1763 20 1750 |
D3LC-12V 25 1967 25 1906 |
D3LC-24V 25 1968 25 1907 |
D3LP-12V 25 1969 25 1912 |
D3LP-24V 25 1970 25 1913 |
B3LC-12V 20 1767 |
B3LP-12V 20 1768 |
D3LC-12V 25 1980 |
D3LC-24V 25 1981 |
D3LP-12V 25 1982 |
D3LP-24V 25 1983 |
|
|---|---|---|---|---|---|---|---|---|---|---|---|---|---|---|---|
| 1 | Теплообменник | 20 1717 06 00 00 | ● | ● | ● | ● | Наличие >> | ||||||||
| 25 1822 06 00 00 | ● | ● | ● | ● | ● | ● | ● | ● | Наличие >> | ||||||
| 2 | Вентилятор | 25 1906 99 20 00 | ● | ● | ● | ● | ● | ● | ● | ● | Наличие >> | ||||
| 25 1907 99 20 00 | ● | ● | ● | ● | Наличие >> | ||||||||||
| 3 | Датчик пламени | 25 1895 99 35 00 | ● | ● | ● | ● | ● | ● | ● | ● | ● | ● | ● | ● | Наличие >> |
| 4 | Датчик перегрева | 25 1895 99 35 00 | ● | ● | ● | ● | ● | ● | ● | ● | ● | ● | ● | ● | Наличие >> |
| 6 | Корпус (нижняя часть) | 25 1822 01 01 00 | ● | ● | ● | ● | ● | ● | ● | ● | ● | ● | ● | ● | Наличие >> |
| 7 | Корпус (верхняя часть) | 25 1906 01 06 00 | ● | ● | ● | ● | ● | ● | ● | ● | ● | ● | ● | ● | Наличие >> |
| 8 | Экран теплообменника | 25 1822 01 00 04 | ● | ● | ● | ● | ● | ● | ● | ● | ● | ● | ● | ● | Наличие >> |
| 9 | Блок управления | 25 1895 50 00 04 | ● | Наличие >> | |||||||||||
| 25 1895 50 00 05 | ● | Наличие >> | |||||||||||||
| 25 1895 50 00 03 | ● | Наличие >> | |||||||||||||
| 25 1895 50 00 06 | ● | Наличие >> | |||||||||||||
| 25 1976 51 00 04 | ● | Наличие >> | |||||||||||||
| 25 1976 51 00 05 | ● | Наличие >> | |||||||||||||
| 25 1976 51 00 03 | ● | Наличие >> | |||||||||||||
| 25 1976 51 00 06 | ● | Наличие >> | |||||||||||||
| 25 1896 50 00 02 | ● | Наличие >> | |||||||||||||
| 25 1896 50 00 03 | ● | Наличие >> | |||||||||||||
| 25 1977 51 00 02 | ● | Наличие >> | |||||||||||||
| 25 1977 51 00 03 | ● | Наличие >> | |||||||||||||
| 9a | Комплект замены | 25 1976 99 51 04 | ● | Наличие >> | |||||||||||
| 25 1976 99 51 05 | ● | Наличие >> | |||||||||||||
| 25 1976 99 51 03 | ● | Наличие >> | |||||||||||||
| 25 1977 99 51 02 | ● | Наличие >> | |||||||||||||
| 25 1976 99 51 06 | ● | Наличие >> | |||||||||||||
| 25 1977 99 51 03 | ● | Наличие >> | |||||||||||||
| 10 | Прокладка | 25 1822 01 00 02 | ● | ● | ● | ● | ● | ● | ● | ● | ● | ● | ● | ● | Наличие >> |
| 11 | Крышка | 25 1895 01 02 00 | ● | ● | ● | ● | ● | ● | ● | ● | ● | ● | ● | ● | Наличие >> |
| 12 | Свеча накала | 25 1830 01 01 00 | ● | ● | ● | ● | ● | ● | ● | ● | Наличие >> | ||||
| 25 1831 01 01 00 | ● | ● | ● | ● | Наличие >> | ||||||||||
| 13 | Прокладка свечи | 25 1830 01 01 01 | ● | ● | ● | ● | ● | ● | ● | ● | ● | ● | ● | ● | Наличие >> |
| 14 | Сеточка | 20 1707 06 01 00 | ● | ● | ● | ● | Наличие >> | ||||||||
| 25 1822 06 04 00 | ● | ● | ● | ● | ● | ● | ● | ● | Наличие >> | ||||||
| 15 | Прокладка | 25 1822 01 00 03 | ● | ● | ● | ● | ● | ● | ● | ● | ● | ● | ● | ● | Наличие >> |
| 16 | Прокладка | 25 1822 06 00 02 | ● | ● | ● | ● | ● | ● | ● | ● | ● | ● | ● | ● | Наличие >> |
| 17 | Прокладка | 25 1822 06 00 03 | ● | ● | ● | ● | ● | ● | ● | ● | ● | ● | ● | ● | Наличие >> |
| 18 | Зажим | 25 1895 01 00 03 | ● | ● | ● | ● | ● | ● | ● | ● | ● | ● | ● | ● | Наличие >> |
| 20 | Болт M3x10 | 25 1822 01 00 05 | ● | ● | ● | ● | ● | ● | ● | ● | ● | ● | ● | ● | Наличие >> |
| 21 | Предохранитель | 171 42 082 | ● | ● | ● | ● | ● | ● | ● | ● | ● | ● | ● | ● | Наличие >> |
| 22 | Болт M6x20 | 106 10 022 | ● | ● | ● | ● | ● | ● | ● | ● | ● | ● | ● | ● | Наличие >> |
| 23 | Болт M5x20 | 103 10 461 | ● | ● | ● | ● | ● | ● | ● | ● | ● | ● | ● | ● | Наличие >> |
| 24 | Болт M5x16 | 109 00 044 | ● | ● | ● | ● | ● | ● | ● | ● | ● | ● | ● | ● | Наличие >> |
| 25 | Зажим | 25 1688 01 00 03 | ● | ● | ● | ● | ● | ● | ● | ● | ● | ● | ● | ● | Наличие >> |
| 26 | Заклепка | 131 31 051 | ● | ● | ● | ● | ● | ● | ● | ● | ● | ● | ● | ● | Наличие >> |
| Поз. | Название | Eberspaecher № | B3LC-12V 20 1762 20 1749 |
B3LP-12V 20 1763 20 1750 |
D3LC-12V 25 1967 25 1906 |
D3LC-24V 25 1968 25 1907 |
D3LP-12V 25 1969 25 1912 |
D3LP-24V 25 1970 25 1913 |
B3LC-12V 20 1767 |
B3LP-12V 20 1768 |
D3LC-12V 25 1980 |
D3LC-24V 25 1981 |
D3LP-12V 25 1982 |
D3LP-24V 25 1983 |
|

| Поз. | Название | Eberspaecher № | B3LC-12V 20 1762 20 1749 |
B3LP-12V 20 1763 20 1750 |
D3LC-12V 25 1967 25 1906 |
D3LC-24V 25 1968 25 1907 |
D3LP-12V 25 1969 25 1912 |
D3LP-24V 25 1970 25 1913 |
B3LC-12V 20 1767 |
B3LP-12V 20 1768 |
D3LC-12V 25 1980 |
D3LC-24V 25 1981 |
D3LP-12V 25 1982 |
D3LP-24V 25 1983 |
|
|---|---|---|---|---|---|---|---|---|---|---|---|---|---|---|---|
| 1 | Топливный насос 12V | 25 1830 45 00 00 | ● | ● | ● | ● | ● | ● | ● | ● | Наличие >> | ||||
| Топливный насос 24V | 25 1831 45 00 00 | ● | ● | ● | ● | Наличие >> | |||||||||
| 2 | Сетка топливного насоса | 20 1312 00 00 06 | ● | ● | ● | ● | ● | ● | ● | ● | ● | ● | ● | ● | Наличие >> |
| 3 | Наконечник шланга | 20 1621 45 00 02 | ● | ● | ● | ● | ● | ● | ● | ● | ● | ● | ● | ● | Наличие >> |
| 4 | Кронштейн | 20 1348 03 00 02 | ● | ● | ● | ● | ● | ● | ● | ● | ● | ● | ● | ● | Наличие >> |
| 5 | Хомут | 152 00 144 | ● | ● | ● | ● | ● | ● | ● | ● | ● | ● | ● | ● | Наличие >> |
| 6 | Буфер (сайлентблок) | 20 1185 00 00 01 | ● | ● | ● | ● | ● | ● | ● | ● | ● | ● | ● | ● | Наличие >> |
| 7 | Буфер (сайлентблок) | 20 1673 80 01 01 | ● | ● | ● | ● | ● | ● | ● | ● | ● | ● | ● | ● | Наличие >> |
| 8 | Тройник 8мм-6мм-8мм | 25 1774 80 01 00 | ● | ● | ● | ● | ● | ● | ● | ● | ● | ● | ● | ● | Наличие >> |
| 9 | Тройник 10мм-6мм-10мм | 360 61 550 | ● | ● | ● | ● | ● | ● | ● | ● | ● | ● | ● | ● | Наличие >> |
| 10 | Топливный шланг 3.5x3 | 360 75 300 | ● | ● | ● | ● | ● | ● | ● | ● | ● | ● | ● | ● | Наличие >> |
| 11 | Топливная трубка 4x1.25 | 090 31 118 | ● | ● | ● | ● | ● | ● | ● | ● | ● | ● | ● | ● | Наличие >> |
| 12 | Топливный шланг 5x3 | 360 75 350 | ● | ● | ● | ● | ● | ● | ● | ● | ● | ● | ● | ● | Наличие >> |
| 13 | Топливная трубка 6x2 | 090 31 125 | ● | ● | ● | ● | ● | ● | ● | ● | ● | ● | ● | ● | Наличие >> |
| 14 | Топливный шланг 7.5x2.5 | 360 31 070 | ● | ● | ● | ● | ● | ● | ● | ● | ● | ● | ● | ● | Наличие >> |
| 15 | Топливный шланг 9x3 | 360 31 095 | ● | ● | ● | ● | ● | ● | ● | ● | ● | ● | ● | ● | Наличие >> |
| 16 | Хомут Ø 9 мм | 10 2063 00 90 98 | ● | ● | ● | ● | ● | ● | ● | ● | ● | ● | ● | ● | Наличие >> |
| 17 | Хомут Ø 11 мм | 10 2063 01 10 98 | ● | ● | ● | ● | ● | ● | ● | ● | ● | ● | ● | ● | Наличие >> |
| 18 | Хомут Ø 12 мм | 10 2063 01 20 98 | ● | ● | ● | ● | ● | ● | ● | ● | ● | ● | ● | ● | Наличие >> |
| 19 | Хомут Ø 14 мм | 10 2063 01 40 98 | ● | ● | ● | ● | ● | ● | ● | ● | ● | ● | ● | ● | Наличие >> |
| 20 | Хомут | 152 00 139 | ● | ● | ● | ● | ● | ● | ● | ● | ● | ● | ● | ● | Наличие >> |
| 21 | Кабельный жгут | 25 1895 80 03 00 | ● | ● | ● | ● | ● | ● | Наличие >> | ||||||
| 25 1965 80 03 00 | ● | ● | ● | ● | ● | ● | Наличие >> | ||||||||
| 25 1976 80 03 00 | ● | ● | ● | ● | ● | ● | Наличие >> | ||||||||
| 22 | Преобразователь тока 12V | 25 1830 30 01 00 | ● | ● | ● | ● | Наличие >> | ||||||||
| Преобразователь тока 24V | 25 1769 80 06 00 | ● | ● | Наличие >> | |||||||||||
| 23 | Кабель | 25 1895 80 05 00 | ● | ● | ● | ● | ● | ● | ● | ● | ● | ● | ● | ● | Наличие >> |
| 24 | Обойма предохранителя | 204 31 004 | ● | ● | ● | ● | ● | ● | ● | ● | ● | ● | ● | ● | Наличие >> |
| 25 | Крышка предохранителя | 204 31 005 | ● | ● | ● | ● | ● | ● | ● | ● | ● | ● | ● | ● | Наличие >> |
| 26 | Предохранитель 25A | 204 00 089 | ● | ● | ● | ● | ● | ● | ● | ● | ● | ● | ● | ● | Наличие >> |
| 27 | Предохранитель 5A | 204 00 079 | ● | ● | ● | ● | ● | ● | ● | ● | ● | ● | ● | ● | Наличие >> |
| 28 | Корпус клеммы | 206 31 301 | ● | ● | ● | ● | ● | ● | ● | ● | ● | ● | ● | ● | Наличие >> |
| 29 | Корпус клеммы | 206 31 009 | ● | ● | ● | ● | ● | ● | ● | ● | ● | ● | ● | ● | Наличие >> |
| 30 | Клемма DIN 46 340-A | 206 52 120 | ● | ● | ● | ● | ● | ● | ● | ● | ● | ● | ● | ● | Наличие >> |
| 31 | Клемма DIN 46 343-B | 206 36 201 | ● | ● | ● | ● | ● | ● | ● | ● | ● | ● | ● | ● | Наличие >> |
| 32 | Клемма DIN 46 247 | 206 73 033 | ● | ● | ● | ● | ● | ● | ● | ● | ● | ● | ● | ● | Наличие >> |
| 33 | Клемма пружинная | 206 73 058 | ● | ● | ● | ● | ● | ● | ● | ● | ● | ● | ● | ● | Наличие >> |
| 34 | Наконечник | 320 31 120 | ● | ● | ● | ● | ● | ● | ● | ● | ● | ● | ● | ● | Наличие >> |
| 35 | Уплотнение | 20 1280 09 01 03 | ● | ● | ● | ● | ● | ● | ● | ● | ● | ● | ● | ● | Наличие >> |
| 36 | Стяжка кабельная 200 мм | 25 1801 80 02 00 | ● | ● | ● | ● | ● | ● | ● | ● | ● | ● | ● | ● | Наличие >> |
| Поз. | Название | Eberspaecher № | B3LC-12V 20 1762 20 1749 |
B3LP-12V 20 1763 20 1750 |
D3LC-12V 25 1967 25 1906 |
D3LC-24V 25 1968 25 1907 |
D3LP-12V 25 1969 25 1912 |
D3LP-24V 25 1970 25 1913 |
B3LC-12V 20 1767 |
B3LP-12V 20 1768 |
D3LC-12V 25 1980 |
D3LC-24V 25 1981 |
D3LP-12V 25 1982 |
D3LP-24V 25 1983 |
|

| Поз. | Название | Eberspaecher № | B3LC-12V 20 1762 20 1749 |
B3LP-12V 20 1763 20 1750 |
D3LC-12V 25 1967 25 1906 |
D3LC-24V 25 1968 25 1907 |
D3LP-12V 25 1969 25 1912 |
D3LP-24V 25 1970 25 1913 |
B3LC-12V 20 1767 |
B3LP-12V 20 1768 |
D3LC-12V 25 1980 |
D3LC-24V 25 1981 |
D3LP-12V 25 1982 |
D3LP-24V 25 1983 |
|
|---|---|---|---|---|---|---|---|---|---|---|---|---|---|---|---|
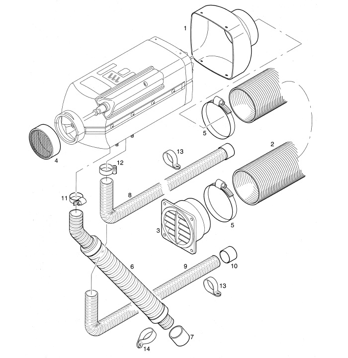
| 1 | Воздухозаборник Ø 75 мм | 25 1822 80 01 00 | ● | ● | ● | ● | ● | ● | Наличие >> | ||||||
| Воздухозаборник Ø 90 мм | 25 1822 89 01 00 | ● | ● | ● | ● | ● | ● | Наличие >> | |||||||
| 2 | Гофра Ø 75 мм | 10 2114 34 00 00 | ● | ● | ● | ● | ● | ● | Наличие >> | ||||||
| Гофра Ø 90 мм | 10 2114 37 00 00 | ● | ● | ● | ● | ● | ● | Наличие >> | |||||||
| 3 | Дефлектор Ø 75/100 мм | 22 1050 89 21 00 | ● | ● | ● | ● | ● | ● | Наличие >> | ||||||
| Дефлектор Ø 90/100 мм | 20 1609 80 09 00 | ● | ● | ● | ● | ● | ● | Наличие >> | |||||||
| 4 | Экран (сетка) Ø 75 мм | 25 1552 05 01 00 | ● | ● | ● | ● | ● | ● | ● | ● | ● | ● | ● | ● | Наличие >> |
| 5 | Хомут Ø 70-90 мм | 10 2064 07 00 90 | ● | ● | ● | ● | ● | ● | Наличие >> | ||||||
| Хомут Ø 90-100 мм | 10 2064 09 01 10 | ● | ● | ● | ● | ● | ● | Наличие >> | |||||||
| 6 | Впускной шланг | 20 1451 01 01 00 | ● | ● | ● | ● | ● | ● | ● | ● | ● | ● | ● | ● | Наличие >> |
| 7 | Наконечник шланга | 25 1729 89 00 02 | ● | ● | ● | ● | ● | ● | ● | ● | ● | ● | ● | ● | Наличие >> |
| 8 | Шланг | 25 1774 80 01 00 | ● | ● | ● | ● | ● | ● | ● | ● | ● | ● | ● | ● | Наличие >> |
| 9 | Шланг | 360 61 550 | ● | ● | ● | ● | ● | ● | ● | ● | ● | ● | ● | ● | Наличие >> |
| 10 | Наконечник шланга | 25 1729 80 06 00 | ● | ● | ● | ● | ● | ● | ● | ● | ● | ● | ● | ● | Наличие >> |
| 11 | Хомут | 10 2064 02 00 32 | ● | ● | ● | ● | ● | ● | ● | ● | ● | ● | ● | ● | Наличие >> |
| 12 | Хомут | 152 61 102 | ● | ● | ● | ● | ● | ● | ● | ● | ● | ● | ● | ● | Наличие >> |
| 13 | Хомут | 152 10 051 | ● | ● | ● | ● | ● | ● | ● | ● | ● | ● | ● | ● | Наличие >> |
| 14 | Хомут | 152 10 047 | ● | ● | ● | ● | ● | ● | ● | ● | ● | ● | ● | ● | Наличие >> |
| Поз. | Название | Eberspaecher № | B3LC-12V 20 1762 20 1749 |
B3LP-12V 20 1763 20 1750 |
D3LC-12V 25 1967 25 1906 |
D3LC-24V 25 1968 25 1907 |
D3LP-12V 25 1969 25 1912 |
D3LP-24V 25 1970 25 1913 |
B3LC-12V 20 1767 |
B3LP-12V 20 1768 |
D3LC-12V 25 1980 |
D3LC-24V 25 1981 |
D3LP-12V 25 1982 |
D3LP-24V 25 1983 |
|