Вы можете войти на сайт, если вы зарегистрированы на одном из этих сервисов
КАМАЗ-5511 — технически сложное транспортное средство, оснащенное электрикой и электроникой. Генератор и аккумулятор питают электрическую схему машины, и за счет этого обеспечивается функционирование всех механизмов и систем, работающих от электросети:
- первичный запуск двигателя через стартер;
- освещение наружное и внутреннее;
- световая сигнализация, состоящая из габаритных огней, поворотных и стоп-фар, дневного света;
- отопительная система;
- контрольно-измерительные приборы, датчики, бортовой компьютер;
- стеклоочистка;
- звуковая сигнализация и др.
Конструктивные особенности схемы электрического оборудования
Схема электропроводки и оборудования КАМАЗ-5511 смонтирована на однопроводной основе. Минусовым контактом служит корпус автомобиля, на нем крепятся минусовые клеммы обоих аккумуляторов через выключатель и отрицательные выводы всех электрических приборов машины.
Ниже предлагается схема подключения кнопки массы КАМАЗ-5511.
Положительная клемма аккумулятора соединяется с электроприборами и освещением машины медными проводами.
Обратите внимание, что для удобства монтажа и ремонта изоляционная обмотка проводов цветная. Это отображено на схемах. Около символических изображений, указывающих на электрооборудование, приведены номера стыкуемых проводов.
На схеме электропроводки КАМАЗ-5511 обозначен их цвет:
- Б — белый;
- Ж — желтый;
- Г — голубой;
- З — зеленый;
- К — красный;
- КЧ — коричневый;
- О — оранжевый;
- С — серый;
- Р — розовый;
- Ф — фиолетовый;
- Ч — черный.
На снимке представлена общая электрическая схема самосвала КАМАЗ-5511.
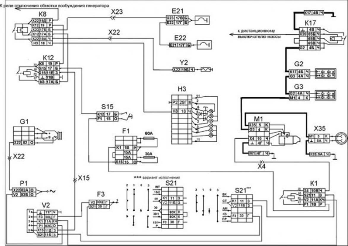
Генератор
Во время движения машины генератор получает крутящий момент от двигателя и вырабатывает электроэнергию, обеспечивающую функционирование всех систем машины.
На снимке: схема подключения генератора КАМАЗ-5511.
Электросхема наружного освещения и световой сигнализации
Наружное и внутреннее освещение служит гарантией безопасности движения, а также используется для освещения рабочего места водителя в темное время суток.
Осветительное оборудование грузового автомобиля КАМАЗ-5511 состоит из следующих элементов:
- передних фар ближнего и дальнего света;
- задних фар;
- противотуманных фонарей;
- освещение номерного знака;
- лампы, освещающей моторный отсек;
- указателей поворота;
- фонарей заднего хода;
- стоп-сигнала;
- фары, освещающей подкузовное пространство.
Осветительные приборы интегрированы в электросхему КАМАЗ-5511 через предохранители, оснащенные плавкими элементами, которые защищают лампы и другие электроприборы от перепадов напряжения и замыкания. Водитель управляет освещением через блок выключателей, установленных на приборной панели.
Внутреннее освещение, электропроводка кабины
В схему освещения кабины входят:
- плафон, освещающий вещевой ящик;
- плафон спального места;
- реле, включающее электродвигатель отопителя;
- два плафона, освещающие кабину: левый и правый;
- комбинированный переключатель света;
- освещение приборов с выключателем;
- розетка переносной лампы;
- розетка семиконтактная.
Ниже предлагается электросхема освещения кабины.
КИП и автоматика КАМАЗ-5511
На приборной панели КАМАЗа располагаются контрольно-измерительные приборы, которые помогают водителю управлять машиной.
Данные о скорости, количестве топлива, давлении в тормозной системе и в шинах, давлении масла и состоянии охлаждающей жидкости поступают на приборную панель с датчиков и электронного блока управления. Ниже представлена схема приборной панели КАМАЗ-5511, имеющей два топливных бака.
Список товаров:
Блок предохранителей
В КАМАЗ-5511 предохранителей немного — всего 4: F2, F3, F4, F6. Но к каждому из них подключено несколько потребителей. Например, к F2 подключены:
- правый и левый ближний и дальний свет;
- корректоры;
- правый и левый габариты;
- подсветка приборной панели;
- противотуманки;
- прожектор;
- центральный переключатель света;
- маяки;
- освещение спального места;
- подкапотная лампа.
Через предохранитель F3 подсоединены следующие приборы:
- АБС;
- радиоприемник;
- коробка отбора мощности (КОМ), передающая крутящий момент на рабочее оборудование машины;
- дневное освещение (ДХО);
- автолебедка;
- электромуфта вентилятора, охлаждающего двигатель;
- фонари заднего хода;
- катушка реле выключателя массы;
- катушка с обмоткой возбуждения генератора;
- устройство, обеспечивающее автоматическое подкачивание шин;
- плафоны, в кабине;
- питание группы приборов на панели;
- розетка светильника подвесного;
- электродвигатели отопителя;
- освещение ящика вещевого;
- звуковые сигналы, в том числе и предупреждающий зуммер;
- «+» розетки прицепа;
- тормозные лягушки и обмотка тормозных сигналов;
- вентилятор, обдувающий водителя в кабине.
Блок реле
Блок реле на грузовике КАМАЗ-5511 располагается за панелью выключателей. Через блок реле подключаются следующие устройства:
- антиблокировочная система, препятствующая блокировке колес (АБС);
- устройство, блокирующее стартер;
- сцепление;
- тормозная система;
- подогрев топлива;
- электрофакельное устройство (ЭФУ);
- дневные ходовые огни;
- датчик остановки платформы;
- задние противотуманное фонари;
- отделитель масла.
Список товаров:
Запуск двигателя
Для запуска двигателя внутреннего сгорания предусмотрен стартер. Поворотом ключа замыкается электрическая цепь с напряжением 24 V. Ток подается от двух последовательно соединенных аккумуляторов через электропровод, подсоединенный к стартеру.
Для запуска двигателя в зимнее время в КАМАЗе предусмотрен электрофакельный подогреватель, поддерживающий температуру в ДВС.
Схема энергоснабжения отопителя и стеклоочистителя
Отопительная система КАМАЗ-5511 работает от двух электродвигателей. А подача воздуха включается переключателем этих электродвигателей, когда ключ в замке зажигания находится в положениях I и II. Тут возможны варианты в зависимости от устройства этих механизмов.
Что происходит в этот момент с электропроводкой?
- Первый двигатель соединяется с аккумулятором «плюсовым» проводом. Массы на этом двигателе нет. На втором двигателе наоборот: есть «минус», но плюсового провода нет. На панели предусмотрена клавиша, управляющая этими двигателями.
- В первом положении клавиши — все цепи разомкнуты.
- Во втором положение этой же клавиши моторы соединены последовательно друг с другом, и они работают «вполсилы», обеспечивая малую скорость вращения.
- В третьем положении двигатели работают на полную мощность. Для первого мотора клавиша замыкает провода, идущие на массу, а на втором — провода, обеспечивающие электропитание. Благодаря такой комбинации оба двигателя работают самостоятельно и на полной мощности.
Стеклоочистка автомобиля представляет систему из электрических стеклоочистителей и омывателя лобового стекла с электропроводкой, которые поддерживают чистоту стекол, обеспечивая водителю полноценный обзор дороги, и таким образом, безопасность движения.
Электрический омыватель стекла имеет насос, встроенный в бачок. Это устройство тоже управляется переключателем в виде клавиши. Электрический ток подводится к насосу через десятиамперный предохранитель. Насос запускается электродвигателем и подает воду по мягким резиновым трубкам к двум жиклерам, через которые вода выбрасывается на стекло.
Стеклоочиститель состоит из двигателя, моторедуктора, переключателя с тремя положениями и трех щеток с приводами: одной «минусовой» и двух плюсовых. «Минусовая» щетка соединяется с «массой», а «плюсовые» интегрированы в электросеть КАМАЗа через переключатель очистителя стекол. Когда напряжение подается на щетки с плюсовыми контактами, якорь электродвигателя вращается с разной частотой, и соответственно, щетки работают в разных режимах.
Таким образом, щетки работают в двух режимах, и при отключении останавливаются в начальной позиции.
Обратите внимание, что на моторедуктор напряжение подается через реле двигателей системы отопления и вентиляции, поэтому стеклоочистители включаются, когда выключатель приборов и стартера установлен в позиции «I».
Переключатели элементов системы стеклоочистки находятся на пульте переключателей, который удобно расположен с правой стороны от рулевого колеса.
























